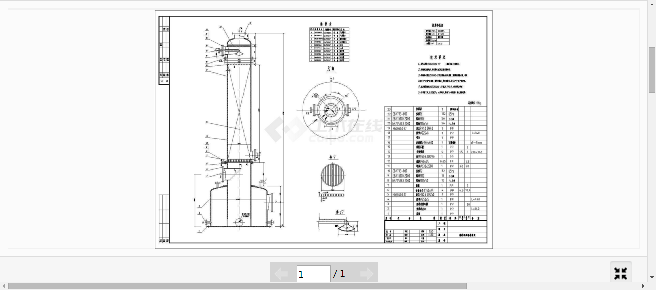
料塔安装图纸

填料塔装配图
图片尺寸755x921
标准的填料吸收塔cad工艺施工设计详图
图片尺寸1440x1020
某工程填料塔设计cad工程施工图纸
图片尺寸1440x1020
求一份清水吸收so2烟气的填料塔(cad版)急用!谢谢各路大神
图片尺寸768x1024
丙酮填料塔装配图纸dwg图纸
图片尺寸871x601
dn800填料塔下载(115.47k,dwg格式)_化工机械_机械cad图纸 - 工百科
图片尺寸498x693
二氧化硫填料塔填料吸收塔设备图cad总装配图纸a1cad图
图片尺寸475x588
脱硫填料塔设计图下载(82.09 kb,dwg格式) 机械cad图纸
图片尺寸664x463
石墨填料塔
图片尺寸443x500
填料塔设计cad图纸
图片尺寸1397x698
填料吸收塔工艺装配图dwg图纸
图片尺寸602x775
填料塔设计cad图纸
图片尺寸456x321
dn2000x41100三甲苯填料塔图纸
图片尺寸820x612
填料塔图.dwg
图片尺寸1200x800
填料塔设计工程图
图片尺寸560x390
cn205907240u_一种新型的自旋式汽提填料塔有效
图片尺寸571x1000
含硫重油蒸馏填料塔 - 分离压力容器图纸 - 沐风网
图片尺寸324x519
有没有水吸收氨填料塔的装置工艺流程图,塔设备结构简图cad图纸?
图片尺寸1325x586
dn2000三甲苯填料塔总图下载(311.62 kb,rar格式) 机械cad图纸
图片尺寸709x475
设计填料塔设备cad图纸dwg图纸
图片尺寸431x518