旋片真空泵维修图解

xd系列单级旋片式真空泵
图片尺寸490x359
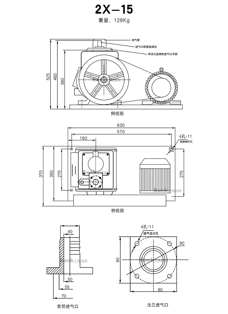
2x4双极旋片式真空泵2x82x15工业用高真空树脂脱泡机真空泵2x4a风冷
图片尺寸790x1088
xd系列旋片式真空泵 东莞旋片真空泵 深圳旋片真空泵
图片尺寸600x511
双级旋片真空泵原理
图片尺寸968x385
xd202旋片式铝合金真空泵山东诺西德旋片式真空泵
图片尺寸750x684
2x型旋片式真空泵
图片尺寸800x399
旋片真空泵主要由定子,转子,旋片,定盖,弹簧等零件组成(如图1).
图片尺寸284x285
2x旋片真空泵维修保养工艺品树脂锂电池行业旋片式真空泵维修
图片尺寸750x750
旋片真空泵原理
图片尺寸645x412
北京2xz旋片式真空泵
图片尺寸700x476
什么是油式旋片真空泵大路通真空泵来分享一下
图片尺寸770x515
旋片式真空泵结构图
图片尺寸920x651
旋片式真空泵使用维修手册
图片尺寸920x651
各类真空泵工作原理大全图文解析
图片尺寸680x300
2x型旋片式真空泵
图片尺寸804x413
真空泵结构图
图片尺寸790x456
5实验室旋片式真空泵
图片尺寸1423x591
2x-2a旋片式真空泵图
图片尺寸510x360
2xz-4直联旋片式真空泵
图片尺寸600x381
首页 真空泵产品 旋片真空泵 2xz型旋片式真空泵 外形及
图片尺寸419x637