无刷电机专利

自动感应门无刷电机马达专业
图片尺寸726x1024
无刷外转跑步机电机专利_专利申请于undefined_专利查询 - 天眼查
图片尺寸1094x1087
2 - 无刷电机(理疗机) - soopat专利搜索
图片尺寸1168x1136
大功率永磁无刷直流电动机专利_专利申请于2020-12-08_专利查询
图片尺寸1689x1078
直流无刷电机(gts47xx)专利_专利申请于2019-02-20_专利查询 - 天眼查
图片尺寸425x390
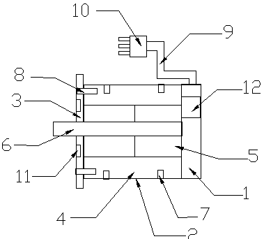
一种豆浆机用无刷电机专利_专利申请于2017-12-12_专利查询 - 天眼查
图片尺寸2504x1592
一种医用高精度无刷电机专利_专利申请于2021-03-23_专利查询 - 天眼
图片尺寸1218x994
一种直流无刷电机专利_专利申请于2020-09-04_专利查询 - 天眼查
图片尺寸2007x1586
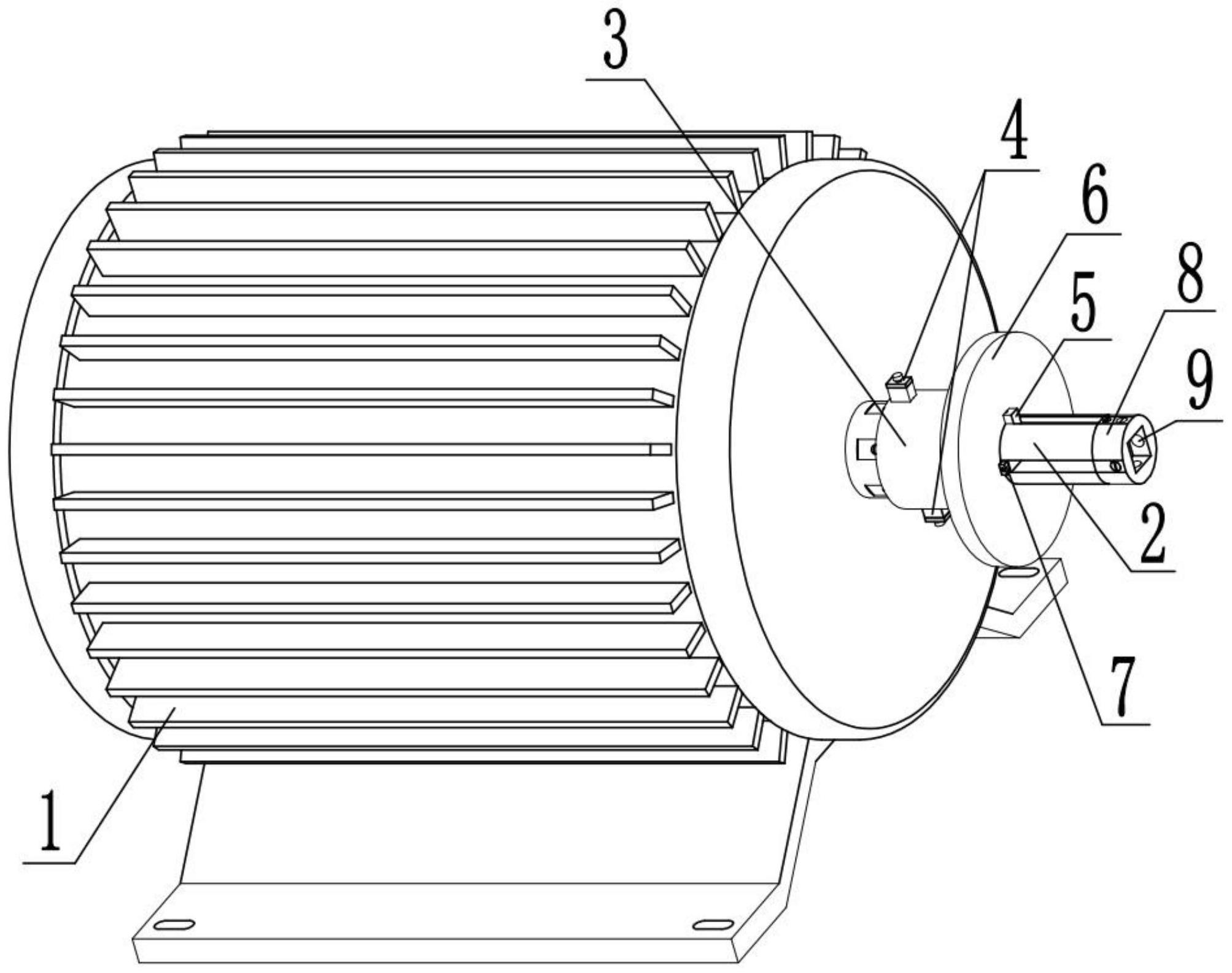
一种紧凑型直流无刷电动机专利_专利申请于20170626_专利查询_天眼查
图片尺寸379x342
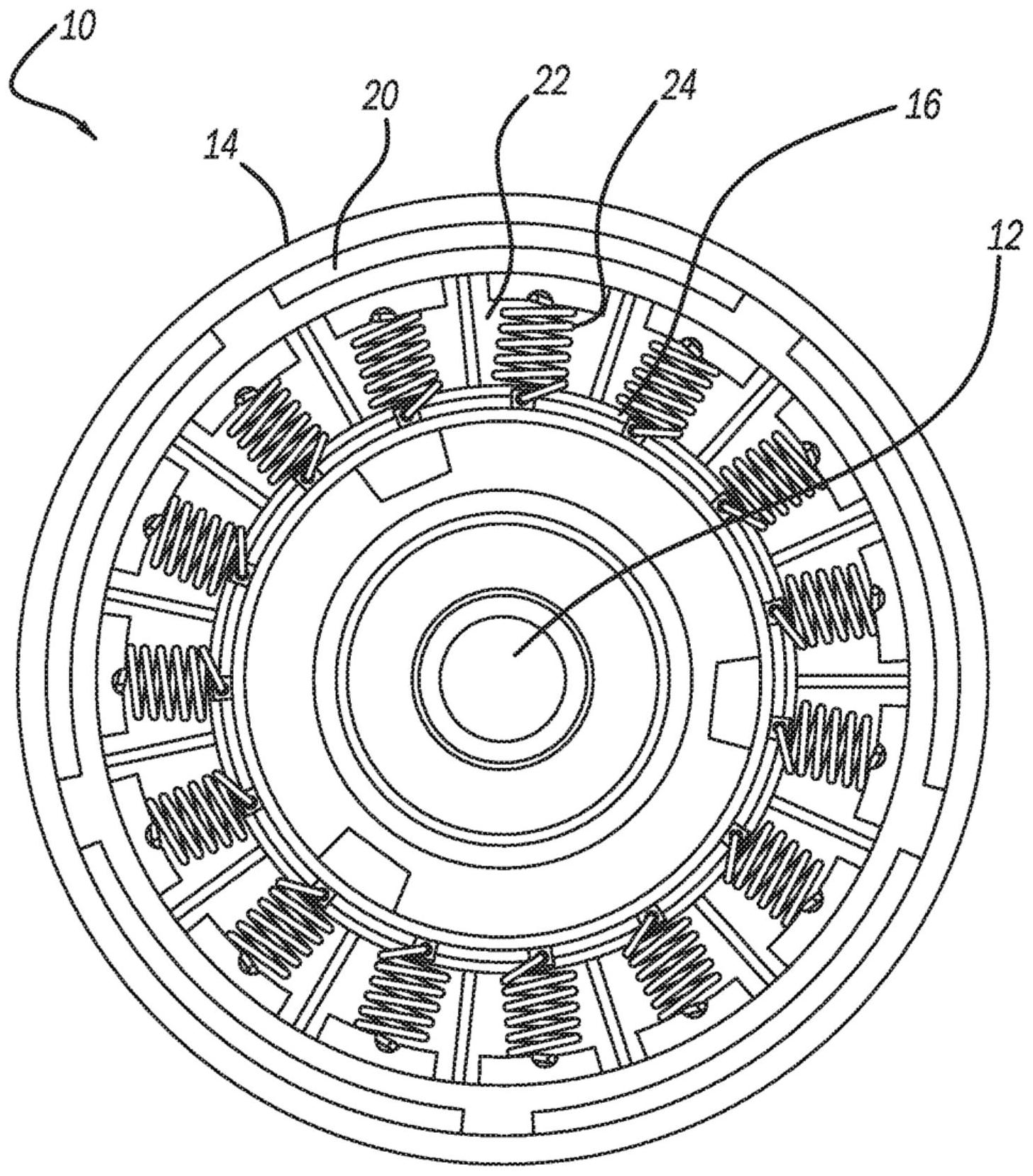
一种扁平式永磁无刷直流电机专利_专利申请于2021-03-16_专利查询
图片尺寸1310x1472
外转子无刷电机(直驱式力反馈)专利_专利申请于2019-12-06_专利查询
图片尺寸847x853
无刷电机专利_专利申请于2013-12-26_专利查询 - 天眼查
图片尺寸320x335
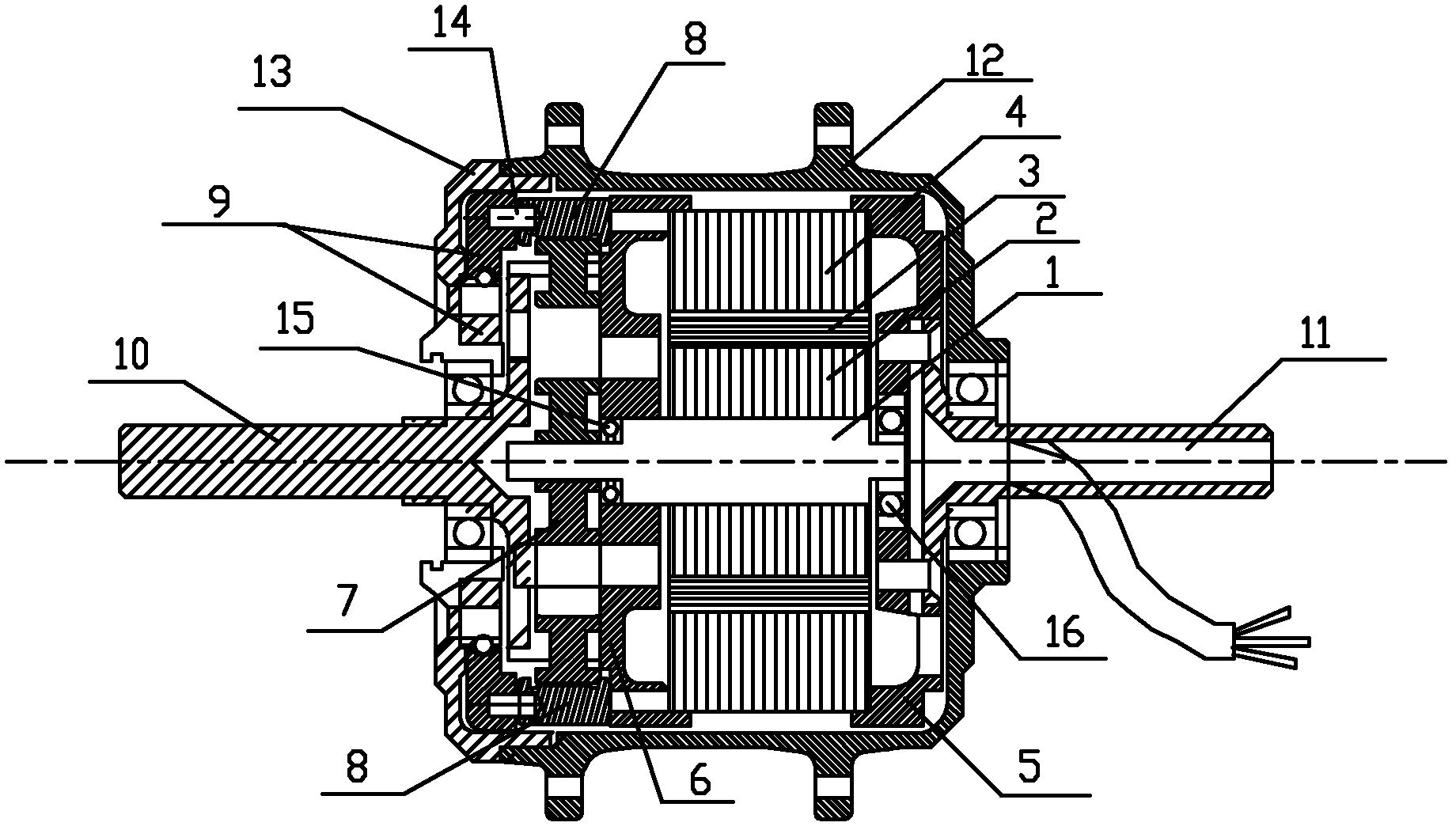
一种外转子无刷直流电机专利_专利申请于2018-03-26_专利查询 - 天眼
图片尺寸1031x593
2 - 无刷电机(理疗机) - soopat专利搜索
图片尺寸1468x1191
一种吸尘器直流无刷电机专利_专利申请于2019-11-25_专利查询 - 天眼
图片尺寸1000x858
永磁直流无刷轮毂电机专利_专利申请于2011-07-14_专利查询 - 天眼查
图片尺寸1840x1049
电机(水下机器人无刷防水电机)专利_专利申请于2018-11-10_专利查询
图片尺寸1397x1668
用于加热,通风以及空调系统的无刷电机专利_专利查询 - 天眼查
图片尺寸1455x1656
自动变矩式永磁无刷电机专利_专利申请于2019-10-23_专利查询 - 天眼
图片尺寸1259x865
摩托车的点火兼发电和启动的无刷磁电机专利_专利查询 - 天眼查
图片尺寸1932x1629