无线鼠标电路图

无线鼠标原理图
图片尺寸920x1302
罗技鼠标电路图
图片尺寸1188x918
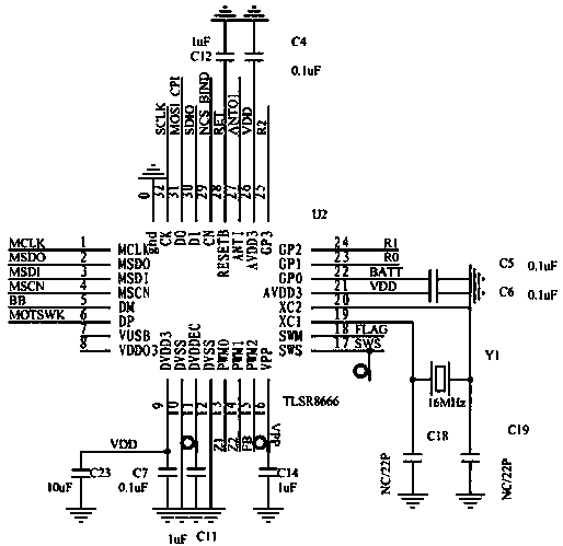
蓝牙鼠标原理图及程序的简单调试
图片尺寸920x1302
无线鼠标原理图
图片尺寸920x1302
无线鼠标原理图
图片尺寸920x1302
光电鼠标原理与电路图 - a-wolf - a - w o l f
图片尺寸1232x938
无线鼠标电路
图片尺寸414x600
无线鼠标原理图 几种鼠标电路图 1,usb接口鼠标电路图
图片尺寸893x452
3页) 你可能喜欢 鼠标工作原理 人类未来 电路图练习 无线鼠标电路图
图片尺寸1192x600
4,鼠标电路图3,光电鼠标电路图2,电脑无线鼠标电路图
图片尺寸1462x734
罗技无线鼠标电路原理图
图片尺寸474x237
蓝牙鼠标原理图及程序的简单调试
图片尺寸893x510
自己制作的一款实用捕鼠器电路
图片尺寸898x450
一种无线鼠标电路模块
图片尺寸514x499
无线鼠标原理图.docx
图片尺寸792x1120
两款光电鼠标电路
图片尺寸1232x938
无线鼠标电路图
图片尺寸400x581
两款光电鼠标电路
图片尺寸1192x600
无线鼠标电路
图片尺寸941x597
蓝牙鼠标原理图及程序的简单调试
图片尺寸893x397