星三角启动原理

星三角降压启动
图片尺寸1080x810
启动原理 接触器继电器 三相异步电动机正反转控制 星三角启动原理图
图片尺寸1080x810
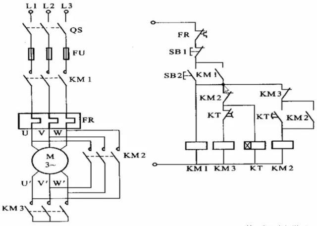
时间继电器自动控制星三角形降压启动电路
图片尺寸541x378
【电力考试】时间继电器星三角降压启动控制线路图
图片尺寸600x470
星三角启动 详细接线图,#星三角启动 控制电路!#星角降压 - 抖音
图片尺寸744x560
星三角启动原理
图片尺寸519x348
中级维修电工,星三角启动控制原理图与简单分析.
图片尺寸1342x1407
按钮手动控制——星三角降压启动——主电路接线
图片尺寸1431x894
星三角启动线路图
图片尺寸920x1302
看不懂电动机星三角降压启动电路图?4张图让你彻底搞清楚__财经头条
图片尺寸640x456
星三角启动电机接线图
图片尺寸920x1302
电机星三角启动时间确定及启动电流计算方法|接触器|电动机|继电器
图片尺寸660x422
星三角启动
图片尺寸633x549
星型接线,当电机启动成功后再将电机改接成三角型接线(通过双投开关
图片尺寸1200x1697
星三角降压启动控制线路ppt演示
图片尺寸960x720
这张星三角降压启动电路图的工作原理
图片尺寸382x403
星三角启动接线图
图片尺寸792x951
电机星三角启动注意事项图文讲解
图片尺寸640x494
控制星--三角降压启动 感谢大家阅读:基础知识薄弱,不懂工作原理,不会
图片尺寸640x480
55千瓦电机星三角启动接线图
图片尺寸863x773