星三角降压启动plc

plc编程案例星三角降压启动
图片尺寸554x511
三菱plc控制星三角启动的程序案例
图片尺寸403x559
星三角降压启动电路plc接法
图片尺寸1440x810
星三角降压启动plc控制
图片尺寸774x368
星三角降压启动#工业自动化 #plc #伺服 #触摸屏 #变 - 抖音
图片尺寸574x430
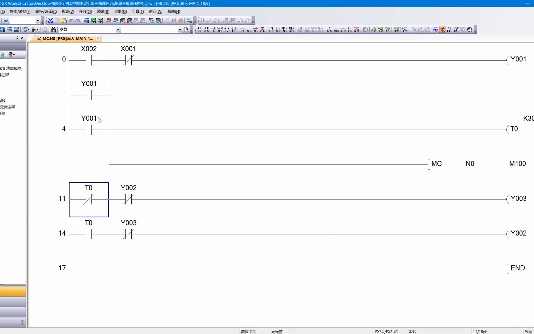
plc控制电动机星三角减压启动
图片尺寸1728x1080
星三角降压启动电路的作用是通过调整电动机的启动电压,确保电动机
图片尺寸640x310
星三角形降压启动电路
图片尺寸748x643
s7200plc实现星三角降压启动
图片尺寸920x1303
星角降压启动梯形图
图片尺寸1092x608
星三角降压启动控制线路ppt演示
图片尺寸960x720
【话题】星三角用plc编程
图片尺寸447x480
老电工实物教plc控制接线展示星形三角形降压启动细节操作
图片尺寸1234x908
星三角降压启动plc控制
图片尺寸920x1302
星三角降压启动电路图原理详解,3张图简单易懂!
图片尺寸636x450
星三角降压启动
图片尺寸1080x810
编程实现电机的"星角降压延时启动"控制
图片尺寸640x493
四,定时器编程举例:星三角降压启动
图片尺寸630x578
星三角自动降压启动梯形图程序输入到plc中后
图片尺寸666x352
求星三角降压起动电路图
图片尺寸769x526