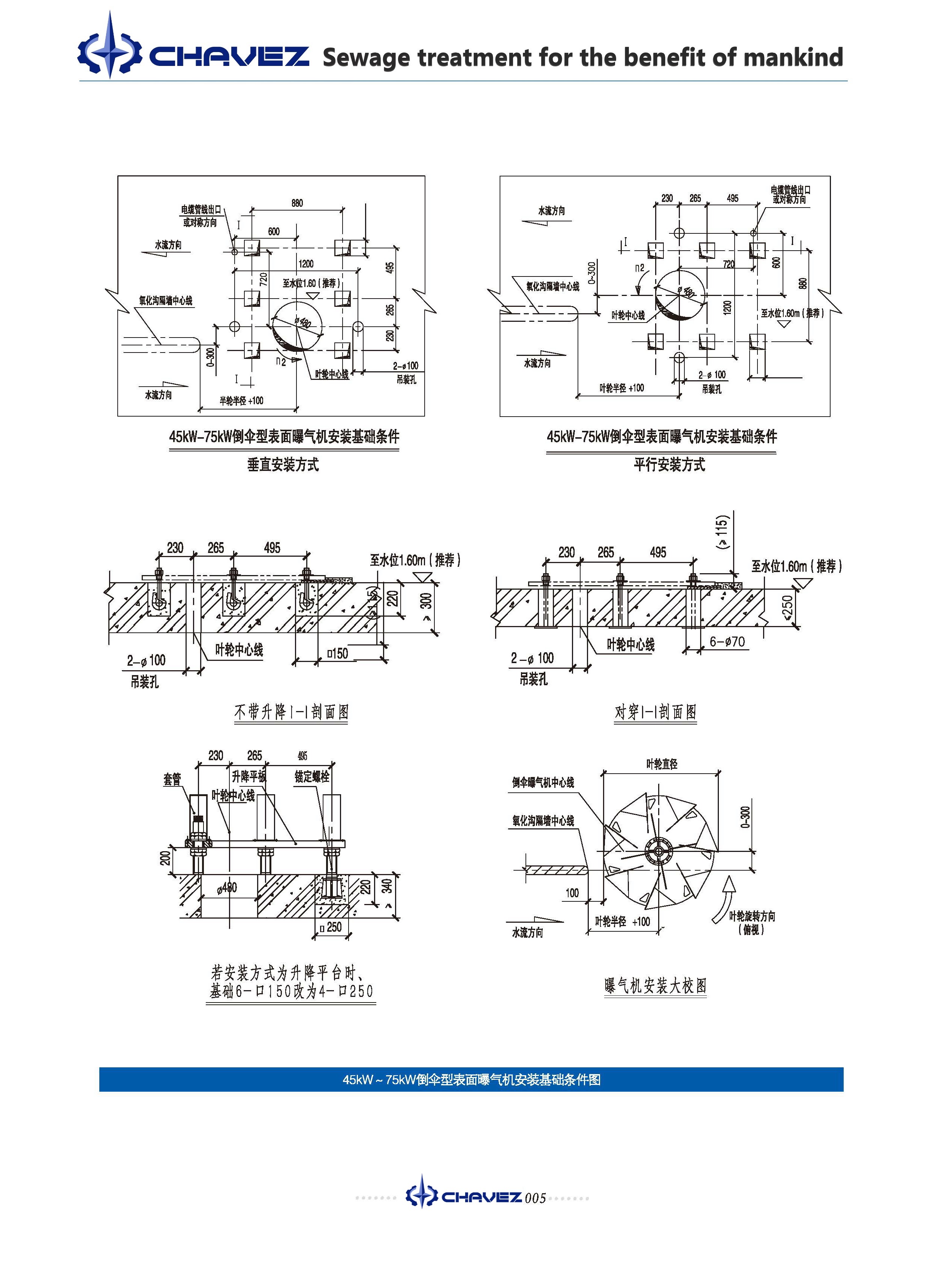
曝气机选型

倒伞型表面曝气机 进口曝气机选型
图片尺寸2516x3438
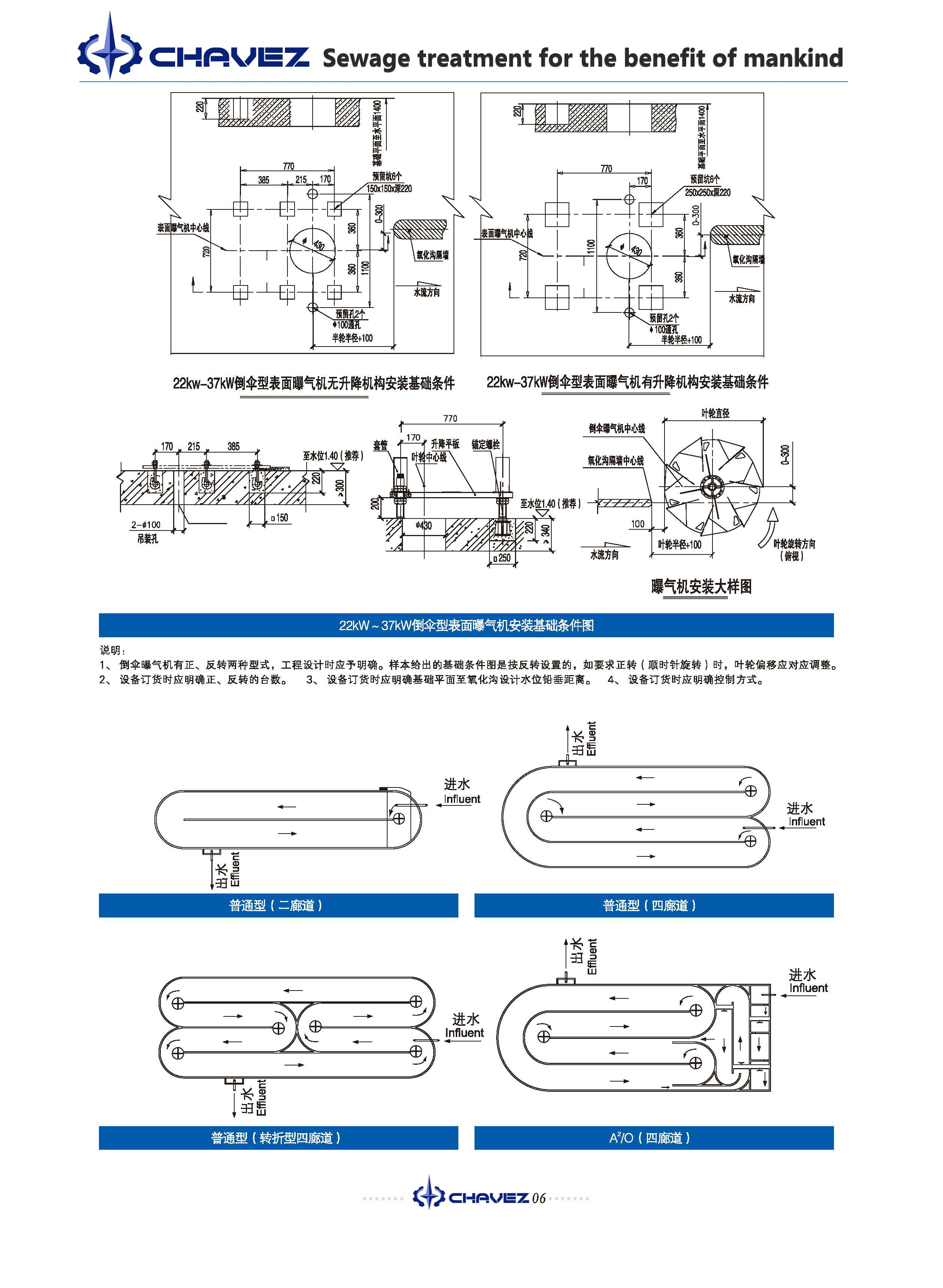
倒伞型表面曝气机 进口曝气机选型
图片尺寸2516x3438
水下离心曝气机选型
图片尺寸749x428
qsb型潜水射流曝气机
图片尺寸640x490
倒伞型表面曝气机 进口曝气机选型
图片尺寸2516x3438
潜水离心曝气机 qxb4-75离心式曝气器 不锈钢 污水充氧产品视频
图片尺寸639x573
强力造流曝气机
图片尺寸601x239
5-22深水潜水曝气机 鱼塘高效率潜水射流曝气机
图片尺寸742x416
射流曝气机qsb2.2kw 潜水射流式曝气泵选型
图片尺寸660x422
倒伞型表面曝气机 进口曝气机选型
图片尺寸2516x3438
大湖pyds倒伞型表面曝气机 greatlake
图片尺寸675x360
射流式曝气机选型
图片尺寸668x301
tlb/./5500-推流曝气机
图片尺寸735x362
潜水离心曝气机
图片尺寸589x270
曝气设备 qsb型深水自吸式潜水射流曝气机需本公司协助选型时,用户应
图片尺寸665x392
爱尔氧海神曝气机设备参数设备选型方法 :第一步:根据进,出水要求计算
图片尺寸598x359
qxb 铸件式曝气机选型
图片尺寸673x700
rtp推流式微孔曝气机盘式悬挂链条曝气器
图片尺寸800x862
倒伞型表面曝气机 进口曝气机选型
图片尺寸2516x3438
曝气沉砂池曝气机qxb22kw潜水曝气器混合液充氧
图片尺寸624x288