曲轴连杆装配图

152发动机曲轴连杆机构设计
图片尺寸806x570
商品专题_摩托车曲轴曲轴是引擎的主要旋转机件,装上连杆后,可承接
图片尺寸917x445
发动机连杆装配图
图片尺寸788x1113
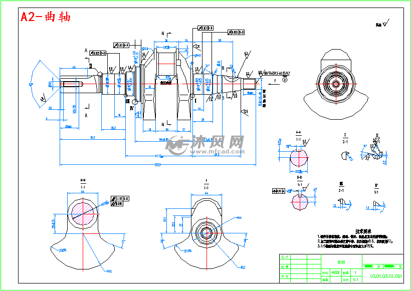
汽油机曲柄连杆机构 a2-曲轴
图片尺寸820x581
152发动机曲轴连杆机构设计
图片尺寸806x570
发动机曲轴连杆图
图片尺寸820x588
曲轴连杆往复式高压柱塞泵
图片尺寸820x584
连杆机构的设计 捷达ea113汽油机【含cad高清图纸和说明书】_装配图网
图片尺寸1200x800
无动柴油发电机组连杆组是用来连接活塞与曲轴,为保证连杆结构
图片尺寸999x718
活塞连杆组(主要包括活塞,活塞环,活塞销和连杆等运动件)和曲轴飞轮组
图片尺寸690x532
曲柄连杆机构由活塞组,连杆组和曲轴
图片尺寸480x445
曲柄连杆机构-曲轴飞轮组 1,活塞 2,活塞销 3,连杆 4,曲轴 5,飞轮
图片尺寸1080x810
173f汽油机曲柄连杆机构设计
图片尺寸820x581
188f汽油机曲柄连杆机构设计
图片尺寸819x580
曲轴活塞连杆装配图
图片尺寸567x379
曲柄连杆机构的拆装
图片尺寸404x267
曲柄连杆机构结构与工作原理
图片尺寸1047x774
连杆加工工艺及夹具设计【全套含cad图纸说明书 翻译】_装配图网
图片尺寸1200x800
捷达汽车曲柄连杆机构的设计含cad零件图装配图
图片尺寸676x510
曲柄连杆机构
图片尺寸750x525