机床滑枕结构

优化的龙门加工中心滑枕优化设计
图片尺寸1260x638
数控立式加工中心滑枕导轨结构的设计研究
图片尺寸545x313
请教各位机械专业人士,下图中红圈里的具体结构,(龙门镗铣床的滑枕
图片尺寸1944x1636
一种龙门雕铣机的滑枕结构的制作方法
图片尺寸474x581
一种立式车床滑枕的配油装置
图片尺寸1000x783
轨道结构轨枕
图片尺寸1080x607
cn112809404a_一种长行程嵌套式滑枕及其龙门机床在审
图片尺寸1324x1945
工作台的旋转移动v轴: 回转工作台的直线移动w轴: 滑枕在主轴箱方孔内
图片尺寸566x363
一种带冷却和冲洗功能的龙门铣床滑枕系统的制作方法
图片尺寸657x1000
床身,主轴箱,滑枕,滑座等组成,该系列机床的主机结构运动状况: 滑枕在
图片尺寸310x229
tx105 滑枕滑鞍 - 机床附件图纸 - 沐风网
图片尺寸820x508
重型数控机床滑枕动力头
图片尺寸788x834
双横梁龙门铣床的滑枕安装结构及应用该结构的移动系统的制作方法
图片尺寸331x443
端位旋转滑枕图纸下载_机床附件图纸 - 沐风网
图片尺寸715x543
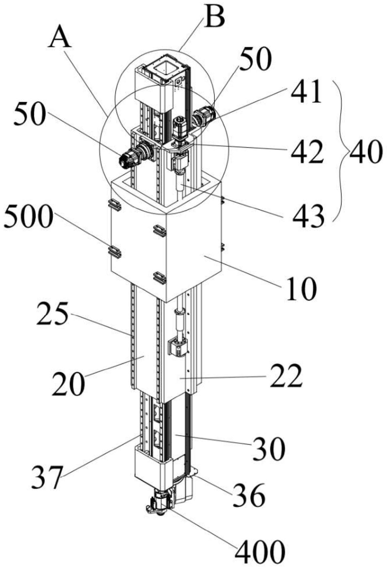
一种机床滑枕平衡装置的制作方法
图片尺寸902x1000
数控龙门铣滑枕 - 机床附件图纸 - 沐风网
图片尺寸787x627
数控龙门铣床八角垂直滑枕的4面导轨结构
图片尺寸213x269
重型数控机床滑枕动力头
图片尺寸820x657
数控立式加工中心滑枕导轨结构的设计研究
图片尺寸319x465
一种应用于小五轴机床滑枕及滑座配合结构的制作方法
图片尺寸1000x747