机理模型

能量守恒,达西定律,如何让机器学习模型严格符合这些物理机理?
图片尺寸640x395
近断层破裂的机理展示
图片尺寸640x337
煤的化学结构模型
图片尺寸1620x3008
模型着手,将其扩展为包含与空间相关的传递现象,从而对复杂的反应机理
图片尺寸2500x1756
螺旋桨梢涡不稳定性机理与演化模型研究
图片尺寸3150x2531
往复式发动机曲轴的转子动力学模型.
图片尺寸1400x788
工业大数据在设备健康管理中的故障预测与诊断_发展_企业_全系统
图片尺寸640x451
灰色预测:机理,模型及应用
图片尺寸800x800
螺旋桨梢涡不稳定性机理与演化模型研究
图片尺寸1575x1067
非金属元素催化活性的调控机理
图片尺寸726x382
基于对象燃烧机理的改进神经网络锅炉燃烧系统建模方法 - cn
图片尺寸1000x529
机理模型在锂离子电池状态估计与预测中的应用
图片尺寸640x765
褐煤表面含氧官能团对水分子的吸附机理*
图片尺寸945x384
二氧化硫使品红溶液褪色的机理:终于有了!
图片尺寸1280x1120
变化莫测模力四射高一年级化学模型制作优秀作品展
图片尺寸1080x905
工业机理模型是工业互联网平台的重要构成要素,其汇集了工业生产过程
图片尺寸1080x532
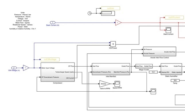
密歇根大学团队开发的基于simulink的pemfc燃料电池机理模型及仿真
图片尺寸645x390
280ah磷酸铁锂电池热失控机理及预测模型
图片尺寸640x360
公共就业规模和结构优化:机理·模型·实现路径 翁异静【正版】
图片尺寸600x800
"吃豆人"模型:金属纳米粒子切割石墨烯的机理解释
图片尺寸437x438