机用虎钳零件图作业

17机用虎钳装配图
图片尺寸1057x722
p>机用虎钳又叫 a href="#" data-lemmaid="2443743">机用平口钳 /a>
图片尺寸858x562
虎钳固定钳身零件图参考
图片尺寸920x1302
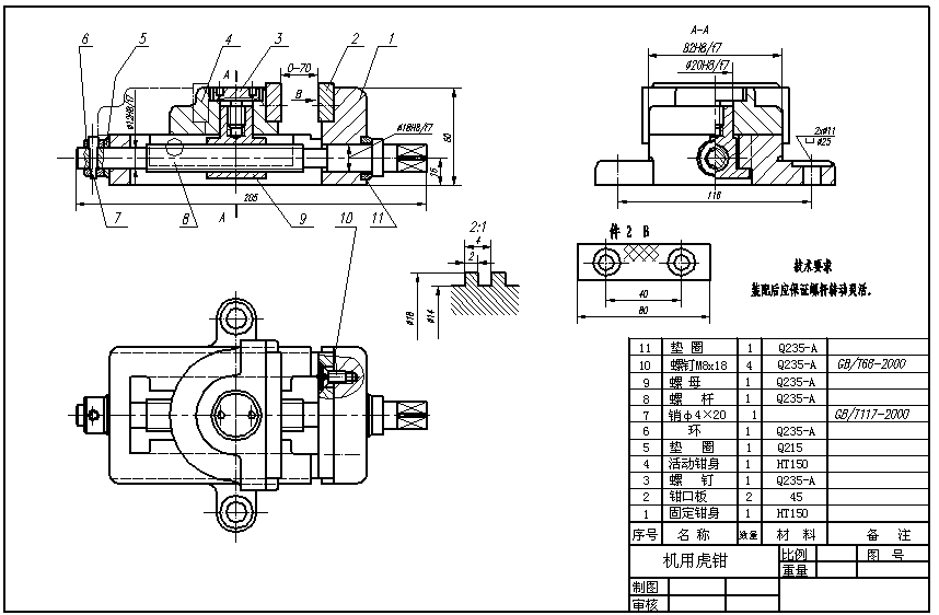
读机用虎钳
图片尺寸961x678
图纸来了:台虎钳.#图纸 #技术分享 #solidworks - 抖音
图片尺寸1440x2360
图纸来了:手用虎钳.#图纸 #机械设计 #技术分享 - 抖音
图片尺寸1440x2114
机用虎钳的装配图和分解图
图片尺寸972x607
无忧文档 所有分类 虎钳子装配图示例 第1页 (共1
图片尺寸1592x1163
双向过载离合式快速夹紧台虎钳-爱企查
图片尺寸2368x1856
平口虎钳零件图.doc 10页
图片尺寸792x1120
读机用虎钳装配图 第八章 装配图 题8-1 读机用虎钳装配图,并拆画零件
图片尺寸535x713
机用台虎钳装配图中,2号件与1号件的连接属于 | 机械类 图样识读
图片尺寸800x543
虎钳图纸
图片尺寸1061x443
平口虎钳零件图
图片尺寸920x1302
迷你台虎钳立体图机械制图
图片尺寸920x1191
虎台钳装配零件图doc
图片尺寸860x1216
lock-tight fa精密虎钳
图片尺寸506x437
平口虎钳零件图
图片尺寸1174x831
机用虎钳设计计划书
图片尺寸787x581
18 机用虎钳装配图的编辑 - 知乎
图片尺寸898x522