机电点位图

机电点位图
图片尺寸1305x1005
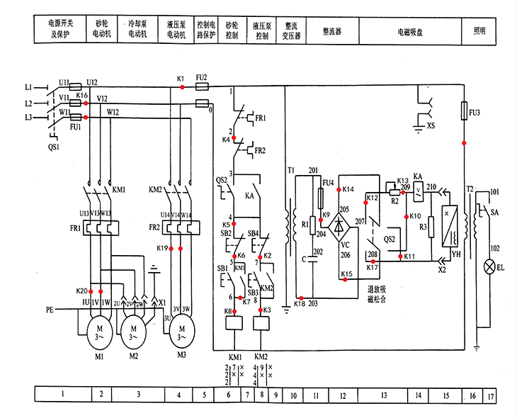
m7130平面磨床故障点位图
图片尺寸730x590
施工图深化之机电点位篇
图片尺寸1080x813
客厅常用的强弱电点位:空调电源,沙发两边电源,电视机电源,机顶盒电源
图片尺寸600x405
厨房设备用电点位图
图片尺寸2897x4096
机电点位图
图片尺寸760x570
点位图
图片尺寸1956x1721
电气点位图
图片尺寸760x644
gap67ad3b3r10r20图纸点位图
图片尺寸1235x830
2f弱电点位图
图片尺寸813x584
一层机电点位图
图片尺寸1600x1280
1.1 点位图
图片尺寸1788x1263
ga-b75m-d2p-1.02 点位图
图片尺寸1784x1263
强弱电点位图
图片尺寸1100x547
点位图2.jpg
图片尺寸1031x512
机电点位图
图片尺寸760x537
点动正转控制线路的布置图
图片尺寸1080x810
强弱电点位图
图片尺寸760x606
华硕p5g41tmlx开机点位图电路图看不懂
图片尺寸1613x920
苹果x高通和英特尔手机维修图纸 点位图 主板电路图 电路原理图 线路
图片尺寸1405x827