板式平焊法兰图片cad

板式平焊法兰>>>>12种法兰类型及密封面形式国际上管法兰标准主要有两
图片尺寸736x425
带颈平焊法兰上有孔眼,可穿螺栓,使两法兰紧连,法兰间用衬垫密封.
图片尺寸1014x676
使用平焊环松套法兰盘的目的一般是为了节省资料,其结构分成两部分
图片尺寸816x670
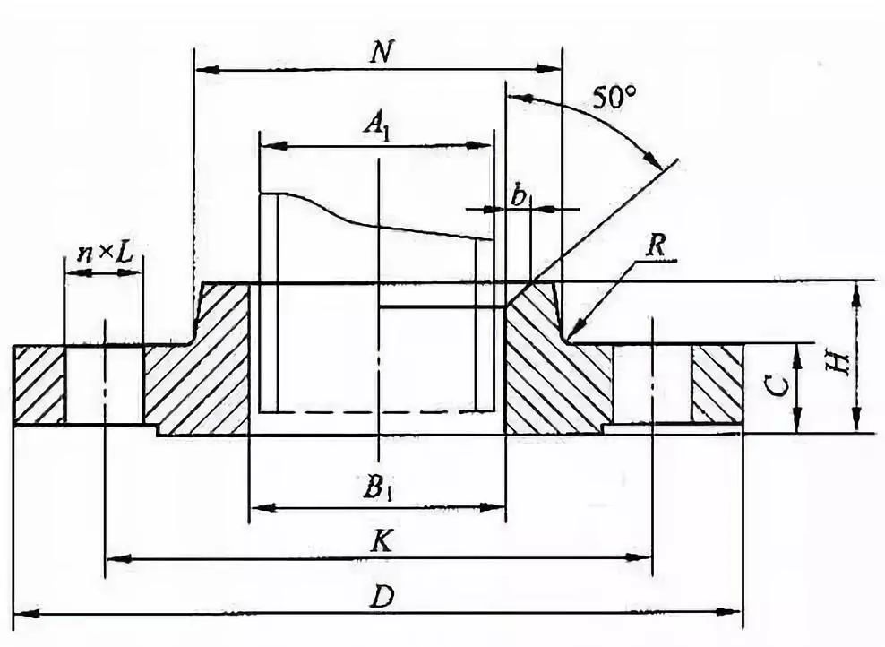
带颈平焊法兰02密封面型式有平面和突面.
图片尺寸988x722
法兰知识集锦认全这12种法兰还真不容易
图片尺寸862x460
法兰知识大全|螺栓|法兰盘|垫片|平焊_网易订阅
图片尺寸640x269
gbt912412019钢管法兰pn系列4211钢制管法兰盖的型式与尺寸
图片尺寸640x570
平焊钢法兰图平焊钢法兰的规格范围如下:公称压力pn0.25,0.
图片尺寸660x320
一口气列举了12种法兰你平时设计用到哪几种
图片尺寸492x354
多支管法兰壳体的加工工艺及其镗削工装的设制与应用
图片尺寸720x1133
工艺管道入门知识点管子管件法兰紧固件
图片尺寸543x475
工艺管道入门知识点管子管件法兰紧固件
图片尺寸660x387
凸缘法兰词条图册_百度百科
图片尺寸508x546
cad使用"插入"命令插入块_法兰
图片尺寸595x505
2 法兰盘的cad绘制-教育视频-搜狐视频
图片尺寸580x326
cad使用"插入"命令插入块_法兰
图片尺寸741x427
为什么要做静电跨接|法兰|导线|接头_网易订阅
图片尺寸268x556
三维cad/cam 中望3d创建法兰盘零件模型
图片尺寸554x218
国标对焊法兰平焊法兰生产厂家来图可定做
图片尺寸745x530
bq41bq71法兰连接保温球阀
图片尺寸220x197