柱子受力分布图

抗震框架柱的受力机理
图片尺寸1079x679
抗震框架柱的受力机理
图片尺寸760x487
不同楼层框架柱内力图
图片尺寸760x573
不同柱脚型式的受力情况
图片尺寸652x309
框架柱受力特点简述
图片尺寸1218x681
剪力墙端柱(框剪边框柱)设计思考
图片尺寸485x795
天正建筑 怎样画柱受力面积示意图
图片尺寸739x498
高强型钢混凝土组合柱小偏心受压力学性能
图片尺寸322x346
图五单层单跨结构受力特点
图片尺寸690x289
受力示意图
图片尺寸684x497
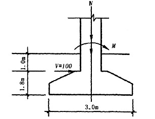
0m,轴力,水平力,弯矩标准组合值分别为 nk=1600kn;vk=100kn;mk=kn·m.
图片尺寸307x236
工程力学, 2020, 37(8): 89-101. doi: 10.6052/j.issn.1000-4750.
图片尺寸1575x2213
结构识图--柱.ppt
图片尺寸1080x810
建筑结构与受力分析 之 基础ppt
图片尺寸1080x810
验收规范》 1,截面尺寸偏差(砼结构) 指标说明:反映层高范围内剪力墙
图片尺寸893x344
底层柱,墙最大组合内力简图是倒的
图片尺寸457x385
阳台挑梁的底部增加柱子(如附图),否则会改变原来设计挑梁的受力状态
图片尺寸533x455
钢结构牛腿大样图钢牛腿固定在混凝土上柱子受剪力示意图钢牛腿工程上
图片尺寸426x308
结构柱在顶层时纵向受力钢筋收口做法
图片尺寸602x294
18轴心受力构件ppt
图片尺寸1080x810