标准星三角启动电路图

18,零基础学电工-星三角自动减压起动电路(通电延时继电器)
图片尺寸640x796
星三角启动原理
图片尺寸519x348
按钮手动控制——星三角降压启动——主电路接线
图片尺寸1431x894
星三角启动线路图
图片尺寸920x1302
星三角启动 详细接线图,#星三角启动 控制电路!#星角降压 - 抖音
图片尺寸744x560
星三角降压启动线路图
图片尺寸720x1280
下一页 你可能喜欢 星三角启动 恒温控制电路 交通灯控制电路 微波
图片尺寸1080x810
星三角起动控制接线图ppt课件
图片尺寸920x690
星三角启动原理及接线图
图片尺寸920x651
星三角启动接线图
图片尺寸902x657
星三角启动.星三角电路怎么接线?
图片尺寸1080x1508
无忧文档 所有分类 工程科技 电子/电路 星三角降压启动控制线路第1页
图片尺寸1080x810
星三角降压启动电路图原理详解,3张图简单易懂!
图片尺寸636x450
求接触器星三角启动控制电路图!
图片尺寸1264x674
星三角启动接线图
图片尺寸792x951
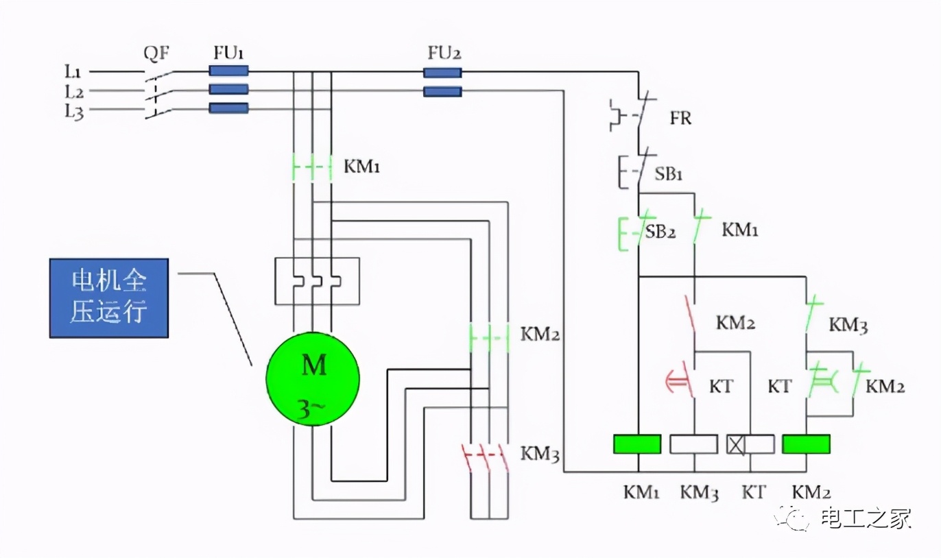
制动的星三角启动通电延时带直流能耗制动的星三角启动 主电路工作,当
图片尺寸1342x1407
星三角起动控制原理图
图片尺寸880x880
电动机星三角降压启动自动控制线路
图片尺寸720x960
星三角和自耦降压启动电路图
图片尺寸920x1302
星三角降压启动电路专业知识
图片尺寸1372x814