树莓派电路图

raspberry pi pico 树莓派pico开发板双核高性能低功耗rp2040芯片
图片尺寸7474x5298
树莓派b板原理图
图片尺寸960x1357
树莓派raspberry pi 3 model b的电路原理图免费下载-电子电路图,电子
图片尺寸1254x861
树莓派4b到货开箱体验
图片尺寸721x654
11树莓派3bhcsr04超声波测距
图片尺寸868x680
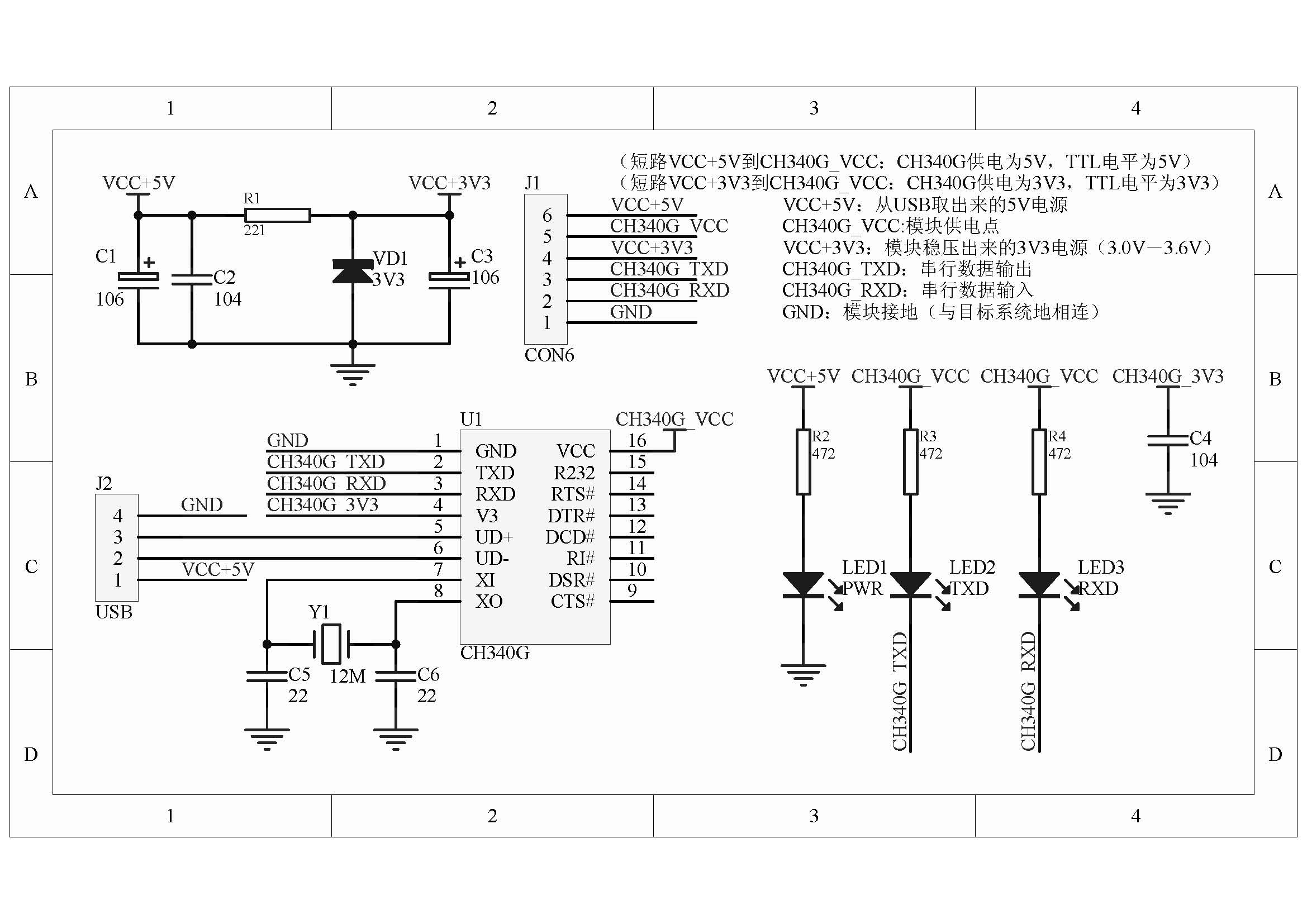
树莓派基础实验35:usb to ttl模块实验-电子芯吧客(www.icxbk.com)
图片尺寸2339x1654
树莓派3b的电路原理图免费下载-电子电路图,电子技术资料网站
图片尺寸655x367
raspberry-pi树莓派电路图
图片尺寸1731x1224
树莓派raspberry pi 4 model b的电路原理图免费下载-电子电路图,电子
图片尺寸1267x889
树莓派4b详细资料概述-电子电路图,电子技术资料网站
图片尺寸625x386
树莓派智能车alphabot教程2:直流电机控制 - 丢石头百科
图片尺寸1113x596
【树莓派c语言开发】实验12:pcf8591模数转换器模块
图片尺寸1118x501
树莓派3原理图版 相关截图
图片尺寸1115x716
树莓派养成之路 ——esp-01智能开关2(硬件篇)
图片尺寸2670x1968
树莓派ab设计资料原理图芯片手册
图片尺寸907x576
树莓派ab设计资料原理图芯片手册
图片尺寸899x575
4 channel 5a 250v ac/30v dc compatible 40pin
图片尺寸3509x2480
转树莓派4代电路图
图片尺寸1000x707![[原创]通过raspberry pi(树莓派)的gpio接口控制步进电机/control .](https://i.ecywang.com/upload/1/img0.baidu.com/it/u=2350423645,681785670&fm=253&fmt=auto&app=138&f=JPEG?w=520&h=401)
[原创]通过raspberry pi(树莓派)的gpio接口控制步进电机/control .
图片尺寸520x401
树莓派3原理图pdf下载
图片尺寸550x284