格力w8423主板图纸

分享格力w8423v多元件坏报e6的维修案例同.-贤集微头条
图片尺寸750x1000
主板图纸
图片尺寸837x574
海尔变频空调器电路板原理与检修
图片尺寸640x709
格力kfrd-35gwa分体式空调室内机电路原理图免费下载
图片尺寸883x616
格力空调电路图kf-72lw e1内机板
图片尺寸1017x1734
格力直流变频空调电路板原理图
图片尺寸1243x820
原装格力空调0140398618变频电器30038056外机主板w808bpcb电路板
图片尺寸800x800
原装格力空调外机变频w8423aq冷静王主板主板维修空调配件
图片尺寸800x800
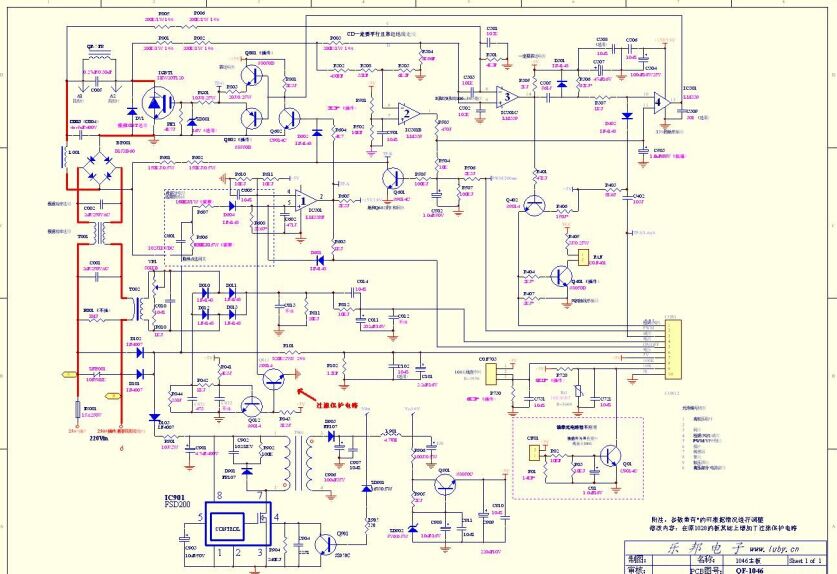
1主板原理图
图片尺寸3468x2421
拆机格力空调外机变频电器02613337w8423g主板3014810301空调配件
图片尺寸800x800
chd32366-2b机芯主板图纸
图片尺寸5184x3888
格力变频空调主板30130003718电脑w8423oz拆机空调配件
图片尺寸1242x931
gc_电路
图片尺寸1812x2424
格力空调3p柜机主板接线图
图片尺寸450x377
格力gc18-20bl主板图纸 lm339 83c9488
图片尺寸2826x2004
格力gl b/c/d 120v-1023主板图纸
图片尺寸1503x870
电脑主板原理图讲解电脑主板构造图文详解
图片尺寸458x600
适用格力空调满园kfr26wfnc01230138388主板w8263e02613542pcb电路板
图片尺寸3120x4160
格力空调 变频模块主板 30138694 w8263y grjw828-a1 0260346703
图片尺寸620x871
适用格力空调w8423wl主板 300027061063 变频电器盒 100002068510
图片尺寸800x800