格构式构件实轴虚轴

格构式轴心受压构件设计答案.ppt
图片尺寸1152x864
钢结构-6-4格构式轴心受力构件
图片尺寸1080x810
钢结构格构柱设计ppt
图片尺寸1080x810
1.2 复数的几何意义)ppt
图片尺寸1080x810
若um2847mm则系数η
图片尺寸500x236
构件 第六 格节式构心受轴构压的件设 计一格构,构式件 ,二双肢绕虚柱
图片尺寸1080x810
弯矩绕虚轴(轴)作用的格构式压弯构件,计算其弯矩作用平面内稳定性时
图片尺寸525x220
计算下图所示之格构式压弯构件绕虚轴整体稳定性时截面抵抗矩w
图片尺寸250x266
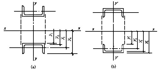
实轴和虚轴的位置
图片尺寸267x300
格构式轴心受压构件设计
图片尺寸670x412
2 双曲线的简单几何性质(1) 课件ppt 3,顶点 (1)双曲线与对称轴的交点
图片尺寸1080x810
2《双曲线的几何性质(2)》ppt 焦点在y轴上的双曲线的几何性质口答 双
图片尺寸1080x810
理学 复变函数第一讲ppt §2 复数的几何表示 1)点表示 虚轴 y y
图片尺寸1080x810
格构式构件截面形式.jpg
图片尺寸760x461
弯矩绕虚轴作用的格构式柱的平面外稳定是通过分肢的稳定来保证的
图片尺寸554x327
计算下图所示之格构式压弯构件绕虚轴整体稳定性时,截面抵抗矩w1x=ix
图片尺寸281x231
格构式轴心受压构件设计答案.ppt
图片尺寸1152x864
几何性质课件 新人教a版选修2-1ppt 3,顶点 (1)双曲线与对称轴的交点
图片尺寸1080x810![如果开环传递函数在虚轴上有极点或零点 im[s] j j im [s] r o d j](https://i.ecywang.com/upload/1/img1.baidu.com/it/u=4010891753,1325057652&fm=253&fmt=auto&app=138&f=JPEG?w=667&h=500)
如果开环传递函数在虚轴上有极点或零点 im[s] j j im [s] r o d j
图片尺寸1080x810
格构柱计算
图片尺寸302x223