检查报告怎么写

服药两周后,王先生病毒量检查报告
图片尺寸597x351
网友@hbg林舟的检查报告单(南海网见习记者吴湟帅 摄)
图片尺寸550x411
图为同学所作covid-19新冠病毒模拟检测实验报告
图片尺寸1080x1543
一口气教您读懂超声nt报告_胎儿_筛查_检查
图片尺寸600x407
彬彬的母亲王女士为儿子所写的"求助申请". 拾冠之 摄
图片尺寸405x540
患者的彩超检查报告单下页,常州某乡镇医院的医生写明了推荐病人去的
图片尺寸400x486
"盖完以后怎么把报告发给客户?"张凯问.
图片尺寸502x596
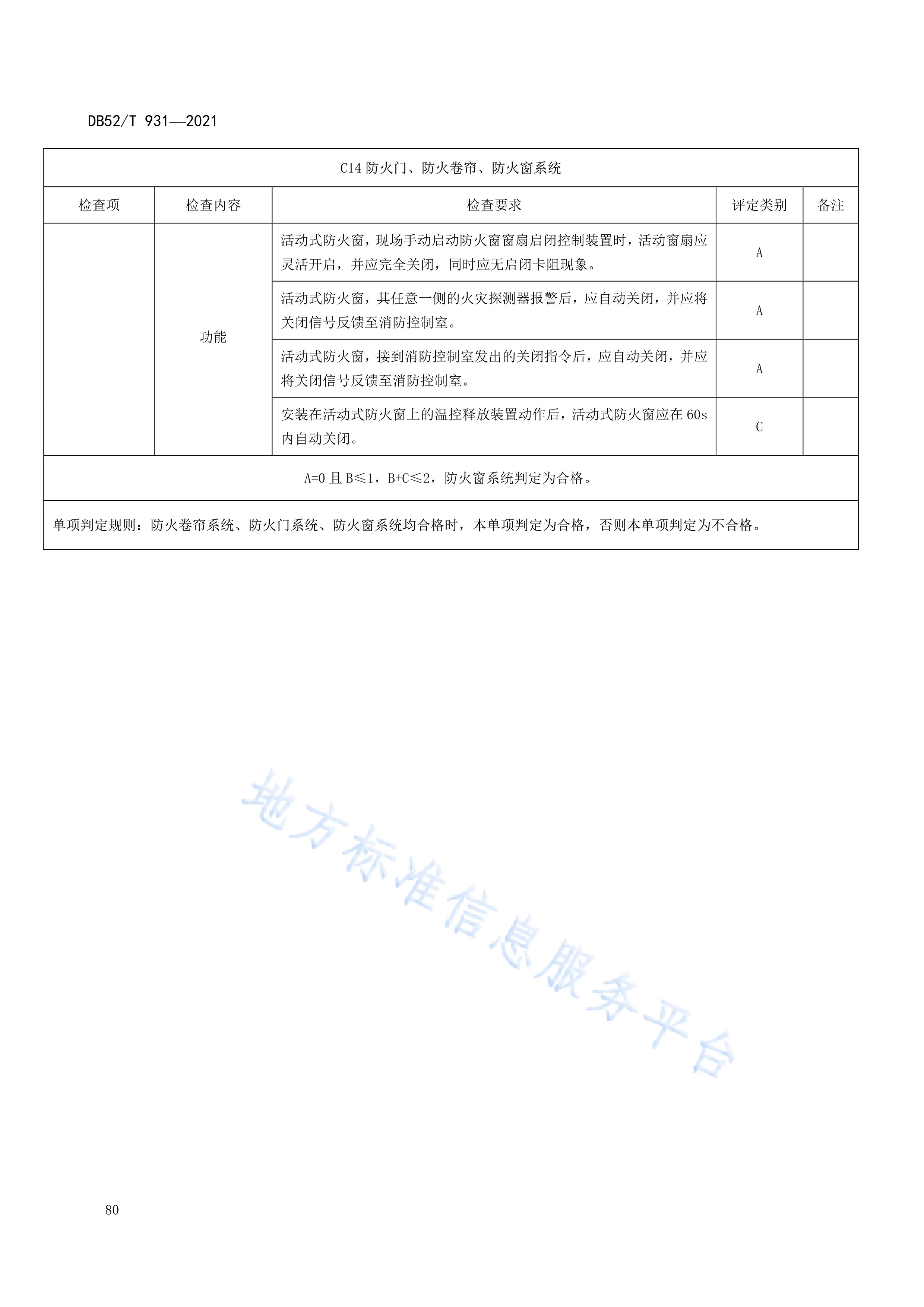
p>《火灾高危单位消防安全检查评估技术规范》(db52/t 931-2021)是
图片尺寸2480x3508
西安市第一医院视功能检查报告单
图片尺寸628x412
燃爆后他们的家成了危楼
图片尺寸1279x1706
妇科b 超,宫颈检查等报告怎么看?一文教你看懂|妇科_新浪财经_新浪网
图片尺寸1080x7695
可在联合检查组准备出具整改告知书时,施工单位却拿出一份消防验收
图片尺寸938x533
吴亦凡检查报告遭泄 华东医院道歉:严查
图片尺寸630x472
p>《火灾高危单位消防安全检查评估技术规范》(db52/t 931-2021)是
图片尺寸2480x3508
招远市金岭镇卫生院心电图检查流程须知注意事项及报告获取等相关信息
图片尺寸522x677
脂肪肝会变肝癌吗看懂检查报告这几项防肝癌于未然
图片尺寸1074x2238
肝功能检查报告该如何看?(健康界)
图片尺寸1080x1920
远度科技:对纵横股份在政府采购活动中伪造质量检测报告,逃避行政处罚
图片尺寸640x4848
hpv检查报告怎么看?
图片尺寸671x856
壹点报告丨话民生写民意齐鲁壹点全国两会报道点击量超2亿
图片尺寸429x467