棕黑黑红棕电阻多大

色环电阻的识别:棕黑银金 阻值是多少欧姆._百度教育
图片尺寸600x478
电阻五色环棕黑黑红棕是多少k
图片尺寸612x816
3w 560欧560r金属膜电阻 蓝色五色环 绿蓝黑棕金 精度1% 20只起拍
图片尺寸828x469
这电阻是多少欧的,红棕棕绿 好像
图片尺寸496x489
编带直插金属膜电阻025w14w82k1五色环电阻灰红黑红棕
图片尺寸750x717
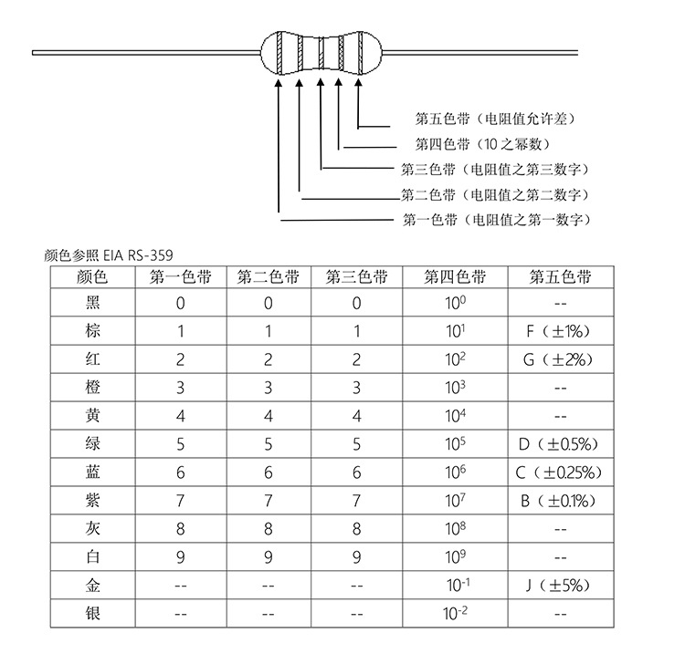
色环电阻器色标的意义 第一环 第二环 第三环 第四环 颜色 首位数 二
图片尺寸1080x810
五色环电阻 棕黑黑白金 电阻身是蓝色的,宽3mm长11mm左右,功率是多大
图片尺寸500x375
直插氧化膜电阻 色环电阻1w 5% 240k 270k 300k 330k 360k
图片尺寸790x1361
电阻色环是棕 黑黑金 是多大的电阻?
图片尺寸684x548
高手求教:这个电阻的阻值是多大的,我看是黑白灰橙紫(98千欧),但是不
图片尺寸1080x2340
电阻怎么认识第个颜色是红第2个是白第三个是灰第四个是金色,这个电阻
图片尺寸540x960
请问 棕灰金金红或红金金灰棕电阻是多大(灰色可能是银色)
图片尺寸539x452
请问色环为篮,灰,黑,金黑的电阻值是多少欧的?
图片尺寸1078x865
色环电阻棕 黑绿 金是多大的电阻
图片尺寸618x235
电阻值识别法(色环法,数码法)
图片尺寸686x585
电阻,棕黑棕金绿组值是多少欧,求助
图片尺寸579x411
电阻颜色多少欧
图片尺寸531x591
色环电阻识别 黄紫橙金 ;棕黑绿金;灰红黑金棕;蓝红红金;橙白橙金
图片尺寸500x264
色环电阻
图片尺寸630x1046
电子元器件—电阻电容电感基础变压器知识
图片尺寸1080x810