楼梯扶手规范

7715楼梯栏杆 1.室内 - 抖音
图片尺寸1920x1440
锌钢楼梯扶手是由锌钢合金材料通过配件螺丝连接组装方式固定的,主体
图片尺寸640x453
室内楼梯的扶手高度如何测量?
图片尺寸1088x769
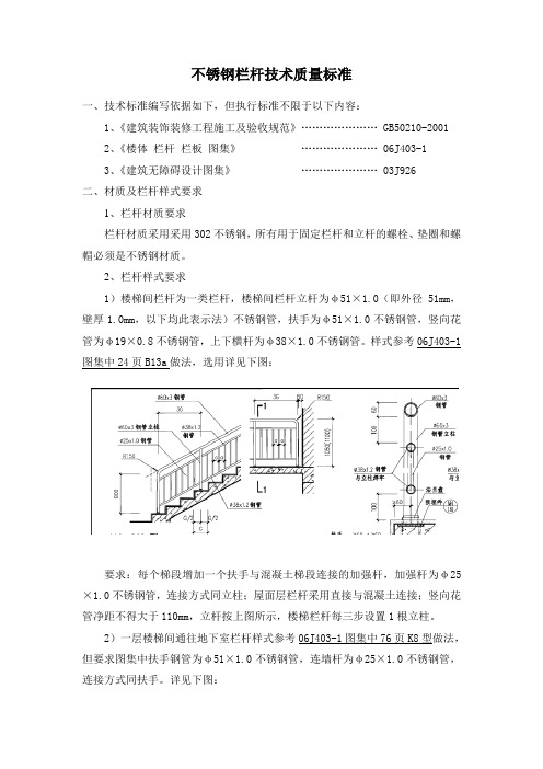
上下层交接处扶手宜向外延长300mm,方便人们提前适应下楼梯△在勤壁
图片尺寸3759x3041
楼梯扶手高度为什么要设置成900mm?
图片尺寸640x482
楼梯不锈钢扶手栏杆
图片尺寸1250x858
按图施工,干不完根本干不完.#不锈钢楼梯扶手 #一花一世界一 - 抖音
图片尺寸1080x2340
楼梯扶手安装尺寸指引78
图片尺寸1080x1439
室内设计 #装修 #装修避坑 #装修知识 #楼梯
图片尺寸1094x1578
扶手转角处高度对不上,怎么办?_楼梯_解决方案_栏杆
图片尺寸1080x1623
1,《建筑装饰装修工程施工及验收规范》…………………gb50210-2001
图片尺寸496x702
铁艺楼梯扶手.铁艺楼梯扶手a北京铁艺楼梯扶手铁艺栏杆#北京铁 - 抖音
图片尺寸1080x1972
楼梯隐形扶手施工,尺寸的规范,施工秘籍.楼梯隐形扶手是在新建 - 抖音
图片尺寸1242x1660
实木楼梯扶手安装 #实木楼梯扶手 #安装现场 #扶手 - 抖音
图片尺寸1440x1942
中国南部标准 - 88zj401 楼梯栏杆.pdf 24页
图片尺寸792x536
楼梯扶手安装效果图楼梯扶手 阳台护栏这也太高大上了吧 - 抖音
图片尺寸1440x1920
石材楼梯内嵌隐形扶手节点做法及案例(图3)
图片尺寸500x763
楼梯的设计尺寸 楼梯设计规范
图片尺寸400x241
纸坊 铝合金楼梯扶手,按装完成70157015 五一假期,努力搬砖
图片尺寸1279x1706
亭城璞悦窈然府101楼梯安装#锯齿玻璃护栏#20铝合金玻璃护 - 抖音
图片尺寸1080x1440