榫面和槽面法兰区别

榫槽面法兰与凹凸面法兰区别
图片尺寸829x762
hg2059597化工部带颈对焊钢制榫面槽面管法兰系列大全
图片尺寸1169x606
2,法兰密封面型式 法兰密封面型式常用有突平面,凹凸面,榫槽面和环 面
图片尺寸1080x810
法兰类型和密封面形式
图片尺寸920x1280
平焊法兰和对焊法兰的区别
图片尺寸614x431
法兰密封面形式共三种:平面型密封面法兰;凹凸型密封面 法兰;榫槽型
图片尺寸1080x810
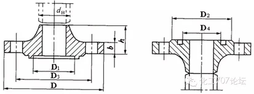
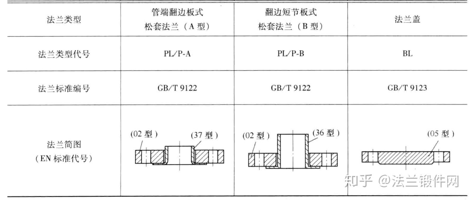
活套法兰,松套法兰,滑套法兰的区别.
图片尺寸640x536
法兰基础知识ppt
图片尺寸1080x810
凸面法兰与突面法兰的区别?
图片尺寸814x722
法兰基础知识
图片尺寸893x455
榫槽面(tg)法兰对应的缠绕垫片型式就是基本型缠绕垫片,凹凸面(mfm)
图片尺寸554x186
榫槽面对焊法兰图
图片尺寸826x305
突面法兰和凹凸面法兰的区别和使用
图片尺寸269x386
平面法兰
图片尺寸510x243
榫槽面法兰.jpg
图片尺寸580x393
法兰基础知识ppt
图片尺寸1080x810
inconel625法兰分类及图解
图片尺寸600x520
法兰类型及其密封面
图片尺寸1583x674
关于法兰标准hg20592-2009在hg20592中dn10的凹凸面法兰pn2.
图片尺寸869x576
法兰规格型号对比
图片尺寸977x739