槽钢与槽钢连接大样图

工字钢h型钢槽钢预埋件间连接节点详图
图片尺寸560x532
槽钢冠梁连接大样
图片尺寸760x577
斜杆为双槽钢或双角钢组合截面与节点板的连接
图片尺寸560x346
槽钢与槽钢资料下载-某悬挑卸料平台18号槽钢与预埋锚环的连接详图
图片尺寸539x470
一种方钢管-双槽钢半焊半栓连接节点的制作方法
图片尺寸428x443
斜杆为双槽钢或双角钢组合截面与节点板连接
图片尺寸760x429
工字钢h型钢槽钢预埋件间连接节点详图
图片尺寸448x514
槽钢和钢柱的连接直接腹板螺栓连接吗
图片尺寸720x406
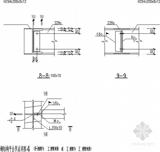
工字钢h型钢槽钢预埋件间连接节点详图
图片尺寸560x510
某斜杆为双槽钢或双角钢组合截面与节点板的连接节点详图
图片尺寸560x294![[分享]槽钢焊接大样图资料免费下载](https://i.ecywang.com/upload/1/img0.baidu.com/it/u=4102583191,2388221423&fm=253&fmt=auto&app=138&f=JPEG?w=560&h=437)
[分享]槽钢焊接大样图资料免费下载
图片尺寸560x437
某斜杆为双槽钢或双角钢组合截面与节点板的连接节点构造cad详图
图片尺寸610x861
某地工字钢h型钢槽钢预埋件间连接节点详图cad图纸
图片尺寸610x366
开关柜下槽钢的设置方式?
图片尺寸782x462![[天津]超高层双子塔项目槽钢连杆施工方案](https://i.ecywang.com/upload/1/img2.baidu.com/it/u=3879236413,1877475944&fm=253&fmt=auto&app=138&f=JPEG?w=792&h=408)
[天津]超高层双子塔项目槽钢连杆施工方案
图片尺寸792x408
某斜杆为双槽钢或双角钢组合截面与节点板的连接节点构造详图(1)
图片尺寸760x520
一种在弱轴方向上梁柱的半刚性节点螺栓连接结构的制作方法
图片尺寸852x833
一种可恢复功能的装配式槽钢开洞梁柱节点连接装置制造方法及图纸
图片尺寸979x1000
槽钢和钢柱的连接直接腹板螺栓连接吗
图片尺寸720x351
一种角钢槽钢连接耗能梁柱节点制造技术
图片尺寸892x1000