模具设计2d出图技巧

扫地机器人外壳注塑模具设计与型腔加工
图片尺寸820x583
petpchalf模具出口模
图片尺寸775x561
塑料咖啡杯子注射模具设计-注塑模滑块抽芯含nx三维及12张cad图1模2腔
图片尺寸1200x800
座椅u型罩板注塑模具设计滑块抽芯
图片尺寸830x654
塑料外壳壳体注塑模具设计一模两腔
图片尺寸724x522
模具图纸 注塑模图纸 瓶胚瓶盖模具 上传图纸补贴活动 免费发布设计
图片尺寸661x524
模具设计后模侧的结构; 5.
图片尺寸699x591
基于ug的lt20塑料锁扣注塑模具设计
图片尺寸657x456
玩具旋钮模具2d结构设计图
图片尺寸522x412
儿童水杯盖注塑模具设计图纸
图片尺寸820x587
双飞燕鼠标上盖注塑模具设计图纸
图片尺寸1100x741
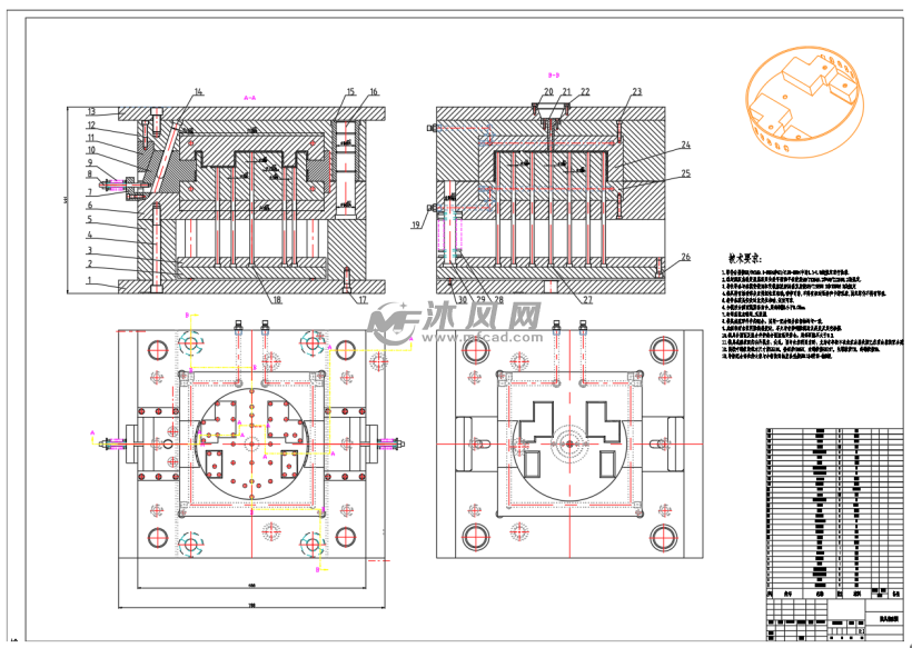
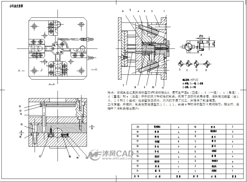
分线盒注塑模具图纸
图片尺寸820x606
喷雾咀注塑模具设计
图片尺寸1200x800
塑料水杯模具的研制设计-带把杯子注塑模【14张cad图纸和文档所见所得
图片尺寸1200x800
基于ug玩具直齿轮注塑模具一出八
图片尺寸820x518
冲压模具设计标准ppt
图片尺寸1080x810
一款垃圾桶盖子的模具2d设计图,产品的尺寸比较的大,模具排位采用的是
图片尺寸1100x772
儿童吸水杯杯盖注塑模具设计【内螺纹脱模】
图片尺寸820x585
模具图纸 注塑模图纸 生活用品类模具玩具车轮辋的塑胶模具设计2d
图片尺寸841x594
插座上座塑料模具设计2d图机械cad素材
图片尺寸767x854