模数转换器原理图

模数转换器模拟前端电路
图片尺寸1381x907
逐次逼近型模数转换器
图片尺寸1000x831
第七章数模及模数转换器接口ppt
图片尺寸1080x810
模数转换器的控制方法与流程
图片尺寸1000x555
cn101505152a_模数转换器及模数转换的方法有效
图片尺寸1994x1396
双斜率模数转换器结构图
图片尺寸445x229
Δ模数转换器工作原理及应用
图片尺寸546x257
ltc2382-16单通道模数转换器参数介绍及中文pdf下载
图片尺寸1385x635
流水线模数转换器的制作方法与工艺
图片尺寸1000x949
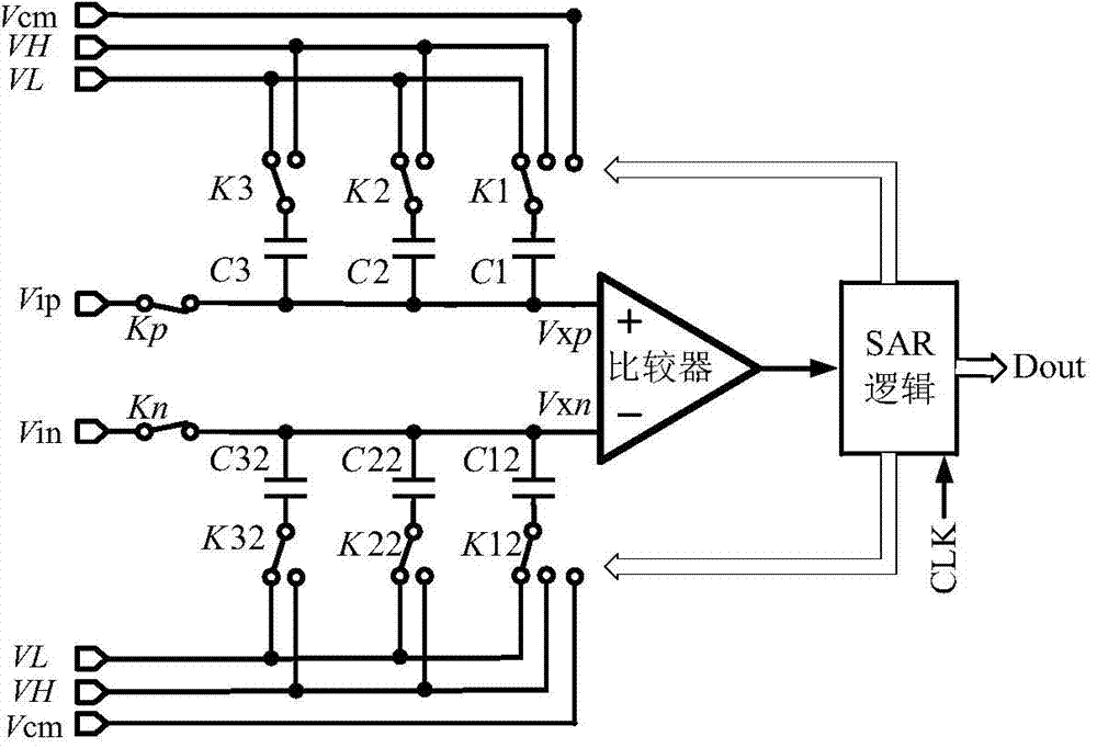
一种逐次逼近型模数转换器及其转换方法
图片尺寸1000x682
cn101656539a_模数转换器失效
图片尺寸1912x905
cn102571094a_逐次逼近寄存器模数转换器以及利用其的模数转换方法
图片尺寸1852x963
模数转换器应用电路设计解析
图片尺寸600x397
什么是双积分式adc模数转换器
图片尺寸647x376
低功耗高精度逐次逼近型模数转换器的设计 图1为sar2adc的基本原理
图片尺寸1016x576
18位高精度模数转换器fs511的原理和应用
图片尺寸420x313
血压测量中的模数转换电路原理
图片尺寸627x423
ltc2311-12单通道模数转换器参数介绍及中文pdf下载
图片尺寸1308x783
树莓派c语言开发实验12pcf8591模数转换器模块
图片尺寸1118x501
多输入内置基准模数转换器ms1112高达16bits的转换精度
图片尺寸600x300