模温机电路图

36kw高温油循环温度模具控制机复膜机辊筒控温机高温模温机
图片尺寸1301x916
简易温度控制电路图
图片尺寸674x419
温度控制系统电路图
图片尺寸1633x1091
四款温度自动控制电路图详解
图片尺寸596x607
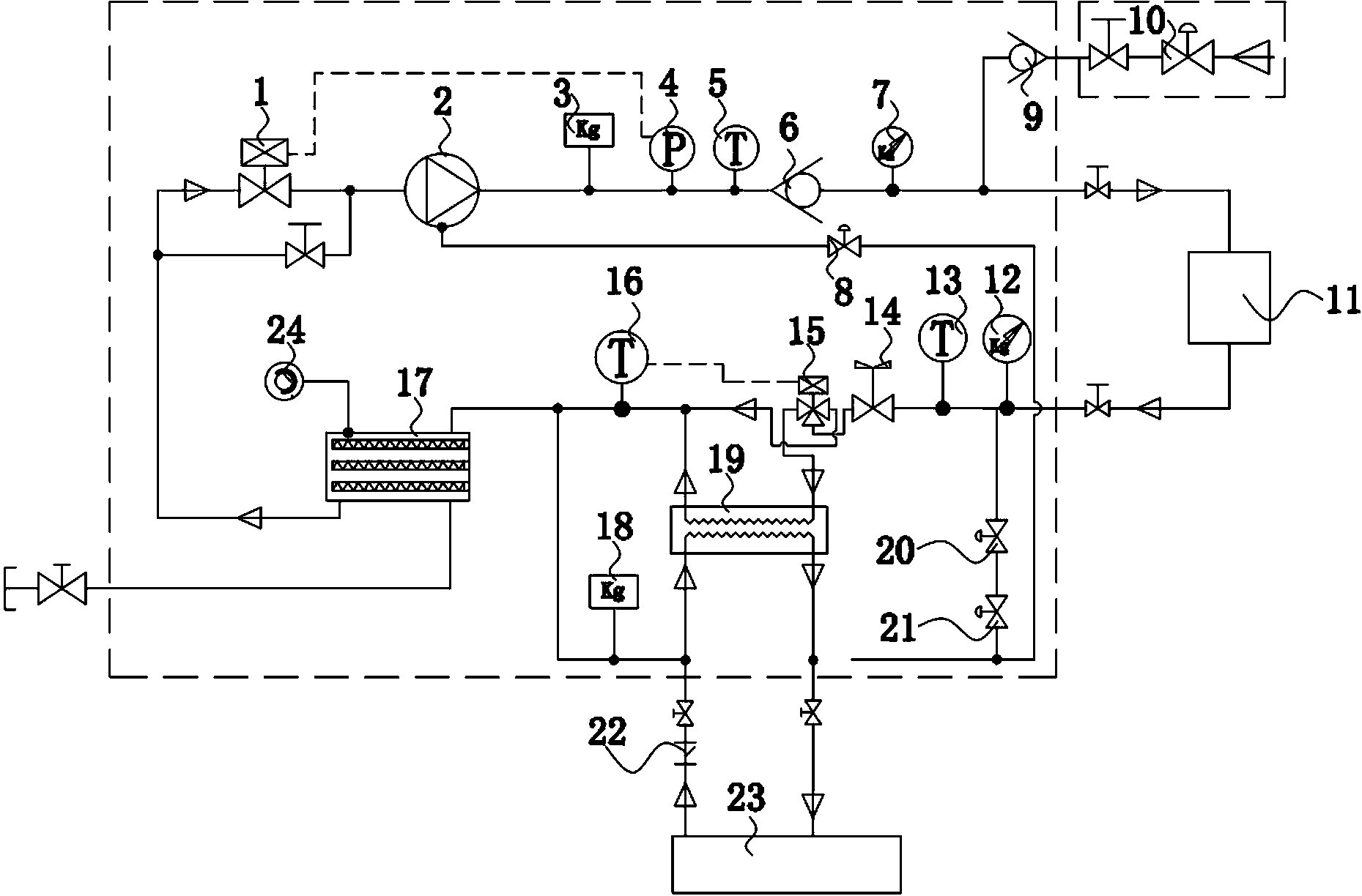
cn102886882b_低温型模温机失效
图片尺寸1859x1224
gw522a/gw522b模温机电脑控制器特点:a,精密集成电路板, 系统控制.
图片尺寸662x527
温度控制电路图
图片尺寸900x410
模温机电路图,赶快收藏!
图片尺寸698x403
plc模温机
图片尺寸748x638
模温机操作说明
图片尺寸674x612
高温模温机_24kw350度模温机_压铸模温机_模温机厂家一年保修
图片尺寸785x974
水式高温模温机系统的制作方法
图片尺寸1000x817
销钉冷喂料挤出机专用模温机
图片尺寸930x475
【子力牌】 模温机 电脑板
图片尺寸624x458
加热器的温度控制器
图片尺寸805x885
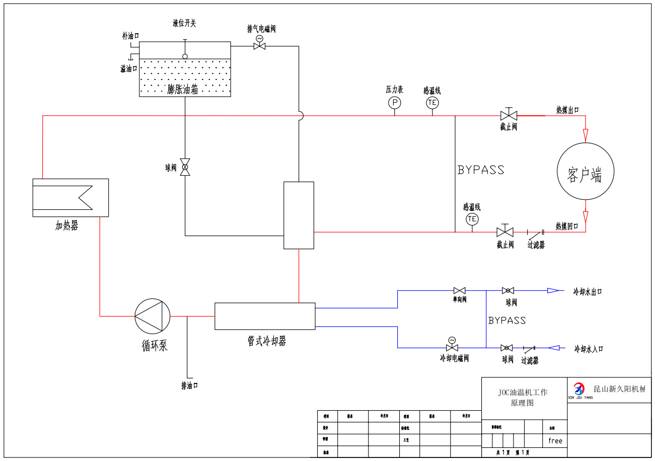
350度油式模温机
图片尺寸1739x997
模温机的制作方法
图片尺寸1000x602
塑料射出专用模温机
图片尺寸930x505
供应9kw模温机吉林模温机水式模温机
图片尺寸663x343
多机一体模温机
图片尺寸930x477