欧姆表电路图

高中物理:这道欧姆表的考查题可"不简单"
图片尺寸640x807
某同学用满偏电流的毫安表制作了一个简易欧姆表,电路如图所示,电阻
图片尺寸556x262
可变档的欧姆表内部结构与判断方法
图片尺寸500x427
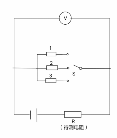
某兴趣小组自制了一个多量程的欧姆表,其电路图如图甲所示.
图片尺寸538x272
欧姆表电路
图片尺寸629x309
利用废数字万用表电板diy毫欧表
图片尺寸1048x1585
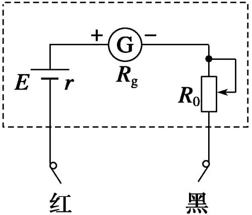
是一个简单的欧姆表电路设电源的电动势为e内阻为r电流表的内电阻为
图片尺寸536x266
2013高考总复习物理教师用书(选修3-1):7-6实验十 练习使用多用电表
图片尺寸306x241
某兴趣小组利用所学知识自制一个欧姆表,他们先利用题图所示电路测量
图片尺寸1000x750
设计组装欧姆表
图片尺寸429x262
资料,ssb6um060701引脚图,ssb6um060701电路-datasheet-电子工程世界
图片尺寸459x363
欧姆表的原理及内部原理结构
图片尺寸1080x810
求助:mf10万用表 欧姆档 问题
图片尺寸1166x910
免费文档 所有分类 练习使用多用表欧姆表内部:电流表,电池,调零电阻
图片尺寸582x729
万用表欧姆档示意图
图片尺寸257x274
555电子兆欧表电路
图片尺寸925x1280
欧姆表的换挡原理
图片尺寸455x538
三极管开关电路中的电阻选型守则
图片尺寸677x461
求助:mf10万用表 欧姆档 问题
图片尺寸1559x1162
多用电表的原理,游标卡尺,螺旋测微器ppt 多量程多用电表简化电路图
图片尺寸1080x810