正反转电路图plc

plc控制的电机正反转电路讲解
图片尺寸2468x1500
图1-11 plc控制电动机正反转线路图
图片尺寸2702x1315
正反转主电路接线原理图.#机械设计 #自动化 #plc - 抖音
图片尺寸1280x1539
可靠的正反转直接切换plc程序
图片尺寸893x671
plc控制三相异步电动机正反转设计 - 知乎
图片尺寸486x262
plc控制的电机正反转电路讲解
图片尺寸2444x856
plc s7-1200 电动机正反转控制电路实现(案例2)
图片尺寸640x457
plc控制电机正反转原理图
图片尺寸610x611
异步电动机正反转电气控制,plc外部接线梯形图
图片尺寸1000x816
实例3:plc控制电机正反转(手动)
图片尺寸1728x1080
西门子plc-200电动机正反转案例
图片尺寸1032x552
正反转梯形图-工业支持中心-西门子中国
图片尺寸413x290
plc控制电动机正反转电路图
图片尺寸514x472
用实现电机的正反转控制
图片尺寸1034x647
三菱案例|如何使用正反转控制电路转换成plc控制!
图片尺寸554x435
plc控制电动机正反转电路讲解
图片尺寸607x444
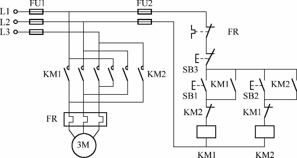
plc控制电动机正反转按钮接触器双重互锁
图片尺寸920x1302
电机正反转互锁电路接线和plc编程对照图 电机正反转控制,接触器按钮
图片尺寸960x1280
电动机基本控制电路 西门子s7-1200plc 降压启动 顺序控制 正反转控制
图片尺寸1920x1080
plc控制电动机正反转电路注意收藏
图片尺寸1080x1440