正反转 自锁

谁能画电机正反转自锁控制电路
图片尺寸500x421
电动机正反转自锁原理图解
图片尺寸600x450
求控制一台电机正反转带自锁互锁实物接线图和原理图
图片尺寸600x569
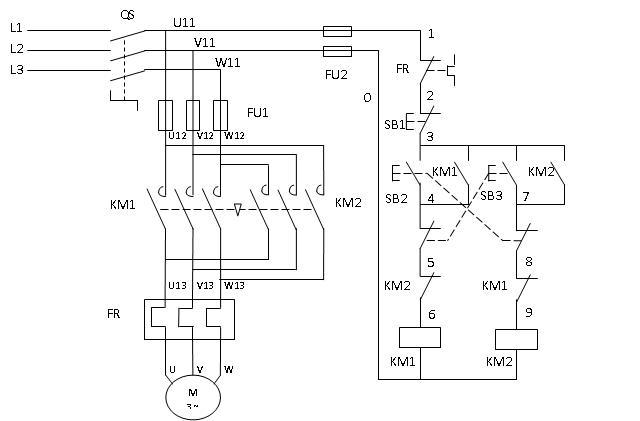
要按钮接触器双重联锁正反转控制接线图,就像图片中的
图片尺寸4300x3284
三相电机正反转自锁互锁弄清楚,就能轻松接线
图片尺寸640x421
电机正反转自锁互锁原理和电路图
图片尺寸680x356
正反转控制 这种就是带自锁的正反转控制,km1和km2之间为电气互锁
图片尺寸555x511
反转启动:按下启动按钮sb2,km1线圈断电,km1主触头断开,同时km1自锁
图片尺寸589x445
正反转带自锁电机控制电路图
图片尺寸600x400
双重联锁的正反转控制线路的工作原理
图片尺寸500x432
自锁正转控制电路详解
图片尺寸562x464
工程科技 电子/电路 电动机的正反转控制 公开课ppt 复习:电动机自锁
图片尺寸1080x810
三相电机正反转双重联锁接线图
图片尺寸1134x840
电机接触器自锁正转控制线路
图片尺寸790x632
两地控制电动机的正反带自锁电路图
图片尺寸744x580
的正反转控制线路工作原理:合上qf和qf1后,当按下sb2时km1得电并自锁
图片尺寸1641x1029
自锁正转控制电路.pdf 10页
图片尺寸1296x729
用继电器形成一个自锁互锁电路控制直流电机的正反转向.
图片尺寸567x643
双重互锁控制电机的正反转电路
图片尺寸607x429
接触器自锁正转控制线路原理图解解决方案华强电子网
图片尺寸478x460