正弦波逆变器图纸

正弦波逆变器
图片尺寸2339x1654
逆变器单相并网正弦波控制板制作
图片尺寸1646x833
求正弦波逆变器电路图!
图片尺寸1270x804
一款技术含量很低的正弦波逆变器原理图
图片尺寸742x407
电子电路图纸简介: 用单片机制作的纯正弦波逆变.gif
图片尺寸2616x1744
12v1500w正弦波逆变器全套资料 包括电原理图,pcb文件,元器件清单等
图片尺寸816x450
一款易自制的高性能正弦波逆变器
图片尺寸1342x1054
12v1500w正弦波逆变器全套资料包括电原理图pcb文件元器件清单等
图片尺寸1171x716
一种基于单片机的正弦波输出逆变电源的设计
图片尺寸1096x598
最近整理的tl494逆变器原理图修正玄波
图片尺寸976x546
易制的正弦波逆变器(用sg3525)
图片尺寸729x484
48v逆变器 原理图
图片尺寸1188x918
1000w正弦波逆变器直流12v转交流220v电路图
图片尺寸3159x2335
纯正弦波逆变器 1500w电路图
图片尺寸892x604
正弦波逆变电源
图片尺寸2434x1542
cn205864291u_一种纯正弦波逆变器有效
图片尺寸1000x869
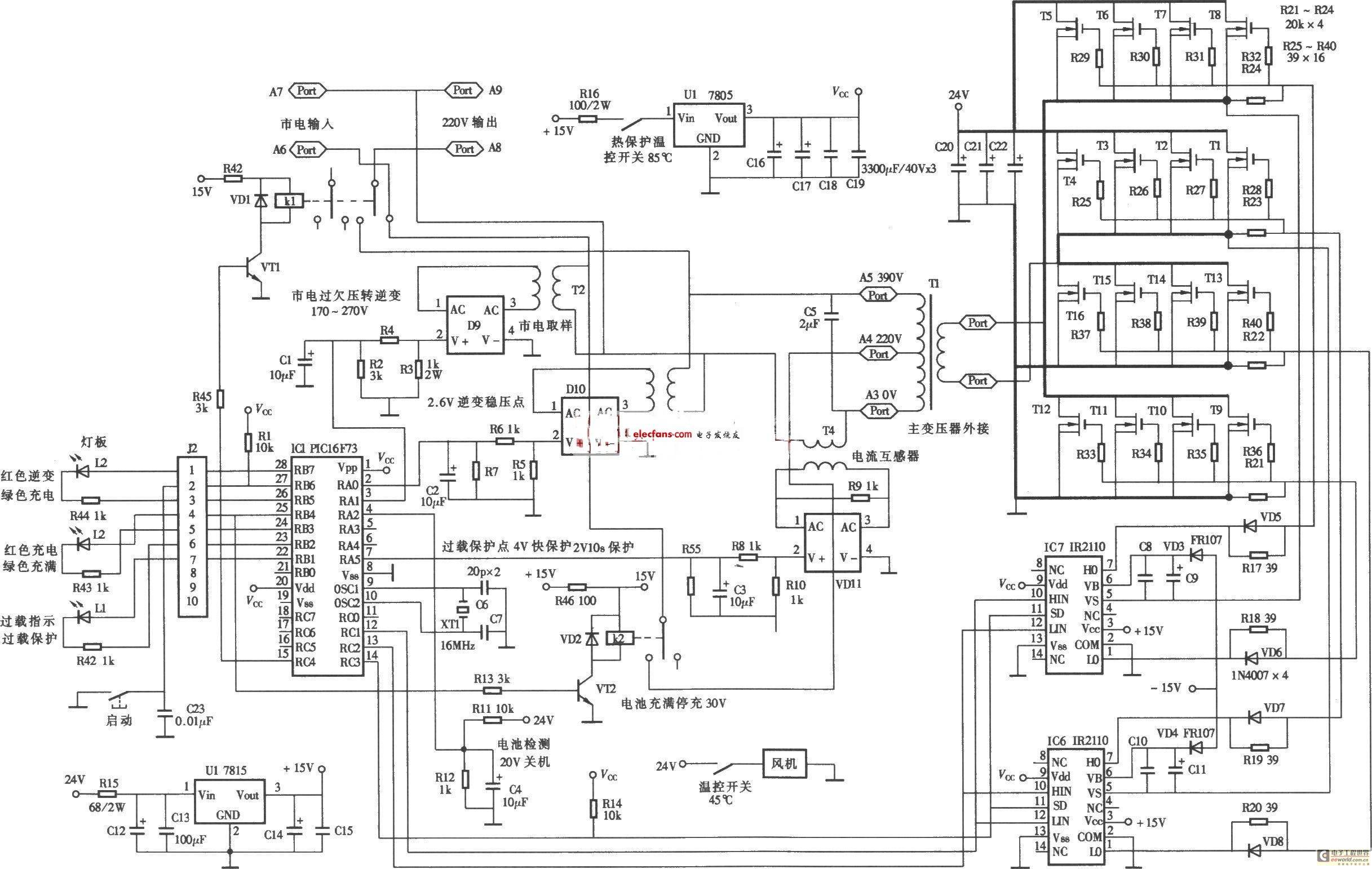
正弦波逆变器原理图
图片尺寸1247x789
36v输出单相正弦波逆变电源
图片尺寸988x443
200w逆变器电路图
图片尺寸1188x918
你可能喜欢 光伏逆变器简介完整版 电子设计大赛题目 正弦波逆变器
图片尺寸950x678