步进电机绕组

p>定子绕组是指安装在定子上的绕组,也就是绕在定子上面的铜线 .
图片尺寸1458x1093
特制电机绕组
图片尺寸792x664
图1-11 线绕式转子绕组
图片尺寸640x380
绕组绝缘
图片尺寸615x599
活动作品a74电机学绕线转子感应电机全新原理剖析
图片尺寸1728x1080
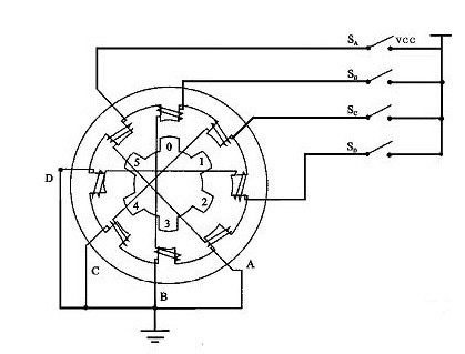
混合式步进电机的绕组接线图
图片尺寸2592x1944
步进电机驱动控制总结一
图片尺寸1375x738
德国人怎么学电机浅谈电机模型十六同步电机三永磁电机一
图片尺寸2888x1149
电机绕线步进电机定子绕线工作过程分享
图片尺寸720x1278
步进电机在构造上通常主要按照转子特点和定子绕组进行分类,下面将
图片尺寸1080x676
深度剖析步进电机-原理图|技术方案
图片尺寸500x313
这个电机绕组是几极的?怎么看都像个2极的呢?书上怎么说是4极的?求解
图片尺寸816x612
两相混合式步进电机及其驱动技术ppt
图片尺寸1080x810
电气工程师步进电机结构和工作原理
图片尺寸556x539
全自动步进电机定子绕线机075mm线径绕线视频
图片尺寸1258x839
中大型电机定子同心式绕组介绍
图片尺寸640x480
可不可以根据直流电机型号,判断直流电机电枢励磁绕组等的信息?
图片尺寸1280x800
步进电机拆解/特点/优缺点
图片尺寸571x259
步进电机控制电路
图片尺寸499x253
四相混合式步进电机与驱动器的串联接法和并联接法有什么区别?
图片尺寸419x319