比例阀电路图

itv1050212lsmc电气比例阀接线图
图片尺寸596x382
atos电液比例阀的使用要点
图片尺寸553x300
电气比例阀在丝印机行业中的一种应用
图片尺寸479x423
一种燃气热水器及其比例阀的控制电路
图片尺寸1662x887
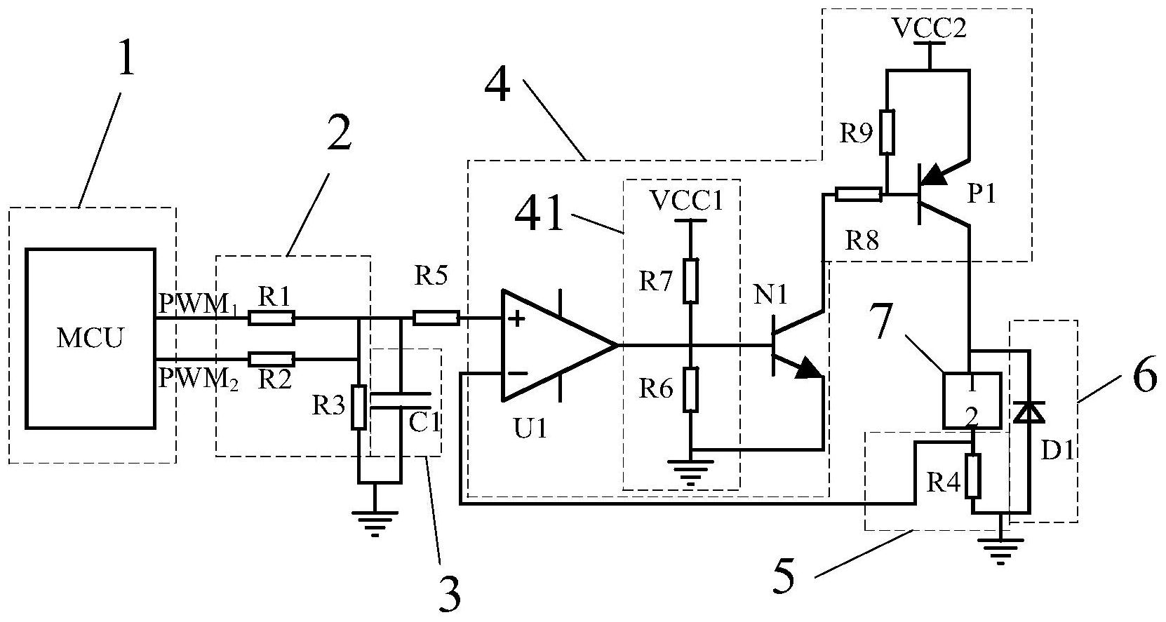
一种比例阀驱动电路
图片尺寸1751x609
比例电磁阀上海台鸣
图片尺寸600x404
一种注塑机用比例阀极性变换电路的制作方法
图片尺寸529x312
m91xx-gga-x及t6634-te21-9jr0比例积分接线图 回风 水阀驱动器 fb
图片尺寸722x1129
进口比例阀的测试
图片尺寸554x676
电液比例压力流量复合阀pq阀的维修
图片尺寸554x417
clippard cordis 电子压力控制器 (电气比例阀 epc)
图片尺寸827x591
vb3200比例积分电动调节阀
图片尺寸410x350
cn208858665u_一种采用比例阀,微型高速数字阀联合控制的液压缸位置
图片尺寸1000x882
一种电液比例阀控液压同步系统的制作方法
图片尺寸485x505
比例阀放大板1a2a3a4a010v420ma电磁阀放大器
图片尺寸619x450
参考书:黎启柏《电液比例控制与数字控制系统》 比例阀 开关控制与
图片尺寸496x450
一种压电比例阀气路控制系统
图片尺寸1692x704
一种基于电流自适应的单电磁铁比例阀控制器的制作方法
图片尺寸996x1000
电液比例阀用控制器的研究设计
图片尺寸974x591
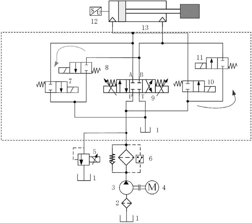
一种基于液压半自动车床的电液比例阀控制系统
图片尺寸1633x1070