水杨腈生产工艺

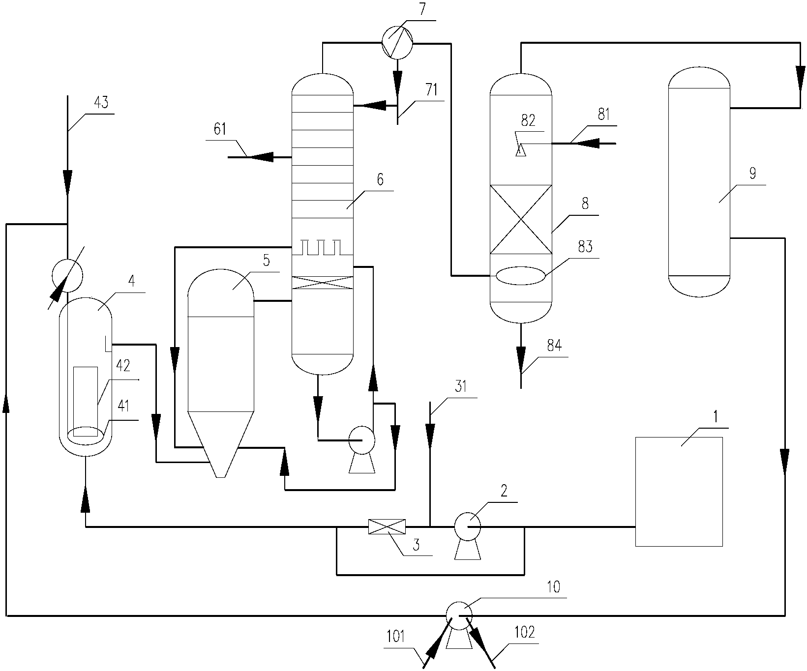
摘要附图本实用新型提供了一种水杨腈废水处理装置
图片尺寸2504x1528
一种水杨腈生产用蒸馏釜的制作方法
图片尺寸299x443
长风化学公司水杨腈装置成功产出新产品
图片尺寸600x450
tianchen chem
图片尺寸750x563
1.2 乙腈精制和硫铵工艺流程图 图3-1 乙腈的精制流程图
图片尺寸439x291
2 丙烯腈生产4合成反应器
图片尺寸988x649
水杨腈湖北武汉生产厂家
图片尺寸500x400
丙烯腈生产工艺及设计
图片尺寸920x690
一种水杨腈离心装置的制作方法
图片尺寸397x444
611-20-1)生产厂家_水杨腈价格_第2页-chemicalbook
图片尺寸300x300
国内外乙腈法抽提丁二烯的节能技术
图片尺寸1568x2338
重庆有实力的水杨腈生产厂家
图片尺寸600x400
工业级水杨腈生产企业及价格
图片尺寸640x640
工业级水杨腈生产企业及价格
图片尺寸640x640
丙烯腈生产流程的cad图
图片尺寸579x410
丙烯腈生产流程的cad图
图片尺寸665x410
一种己二腈的制备方法及其产品
图片尺寸1641x1365
白银高新区:白银银泰年产2000吨水杨腈项目建成投产
图片尺寸1280x805
一种用于生产己二腈的方法与流程
图片尺寸1000x695
腈纶废水处理工艺
图片尺寸1896x1095