水泵叶轮型号规格

yb-e125/25, 高性能双联叶片泵
图片尺寸730x1027
离心泵水力设计叶轮设计8叶片加厚
图片尺寸550x650
qsp40815不锈钢小水泵不锈钢叶轮潜水泵
图片尺寸640x758
批发优质配件 md46-30型矿用耐磨多级离心式清水泵首次级铸铁叶轮
图片尺寸769x551
pv2r1-6-pv2r4-237高压叶片泵
图片尺寸800x1074
变量叶片泵ybp25b数控机床油泵
图片尺寸950x1251
羊城水泵新品铸铁管道泵不锈钢轴不锈钢叶轮gdiii8030广州羊城水泵
图片尺寸600x813
山头林村家用自吸泵铜叶轮双面铜叶轮水泵铜叶轮水泵配件型号齐全 80
图片尺寸800x800
yb1-4-125型叶片泵
图片尺寸729x949
德威pv2r3pvl3系列高压定量叶片泵批发
图片尺寸1415x1920
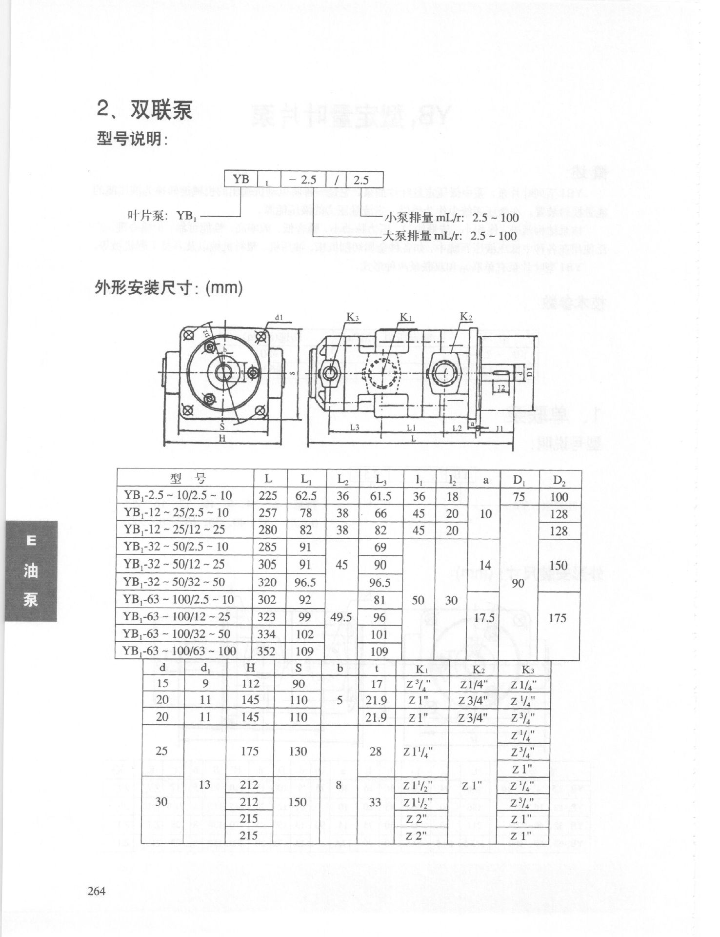
叶片泵yb1-2.5/2.
图片尺寸750x1013
f 材质:铸钢 驱动方式:电动 用途:液压系统 型号
图片尺寸826x1169
pfed5121150010pfed5121150012双联叶片泵
图片尺寸700x978
yb-e50/16,ybe-50/16,yb1-e50/16双联叶片泵
图片尺寸724x1024
材质:铸铁 叶轮吸入方式:单吸式 型号:100s90 流量:80(m3/h) 规格:100
图片尺寸1533x1807
3mpa yb1- 材质:铸钢 驱动方式:电动 型号:yb1-16
图片尺寸1476x1920
源立水泵厂家供应高效节能水泵ktx250200300a45kw卧式离心泵
图片尺寸754x1024
上海连泉现货isw卧式管道泵isw65100i冷却塔专用离心
图片尺寸790x2456
优质厂家直销柜式风机风叶 多翼式离心风轮 风机叶轮
图片尺寸550x752
供应磨床专用叶片泵油泵yb1-100/质量保证-泰兴叶片泵厂家直销 叶片泵
图片尺寸750x1024