水泵基础钢筋配筋图

水泵安装microsoft_powerpoint_演示文稿ppt
图片尺寸1080x810
螺杆泵基础设计图
图片尺寸760x531
广联达软件水泵基础垂直钢筋怎么设置
图片尺寸1003x662
水泵基础图
图片尺寸442x326
焦化循环水项目水泵设备基础图
图片尺寸820x418
一种屋面水泵减震基础装置的制作方法
图片尺寸558x333
泵基础图
图片尺寸774x541
水泵基础
图片尺寸696x494
泵基础设计
图片尺寸560x403
泵基础
图片尺寸516x760
泵站结构图钢筋图纸
图片尺寸629x458
第一步:查看施工图纸水泵安装基础检验过程
图片尺寸1359x808
水箱梁基础-服务新干线答疑解惑
图片尺寸661x705
泵基础图
图片尺寸602x441
泵房设计配筋图
图片尺寸763x678
水泵基础大样图
图片尺寸732x520
cn208618439u_一种新型水泵降噪隔震基础有效
图片尺寸1000x795
水泵接管及水泵浮动基础大样图
图片尺寸650x450
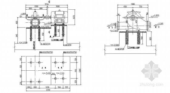
185kw循环水泵安装详图
图片尺寸560x308
大家好,水箱基础问题
图片尺寸733x626