水泵配电箱接线图解

水泵自动控制电路图
图片尺寸1057x724
一个配电柜, 柜子包括4p断路器,交流接触器,电机综合保护器,4p接线端
图片尺寸1000x1500
水泵继电器接法
图片尺寸610x527
一个水泵自动控制的问题
图片尺寸424x300
水泵自动控制箱接线要点(中间继电器和交流接触器)
图片尺寸640x443
配电箱内部接线图
图片尺寸566x800
三箱电动抽水泵接线图
图片尺寸3200x1800
排污泵是如何实现控制的
图片尺寸640x469
水井12米深度,用水泵抽水,做一个电控箱需要怎么做?
图片尺寸602x632
三相水泵加接触器水位控制器图片
图片尺寸761x547
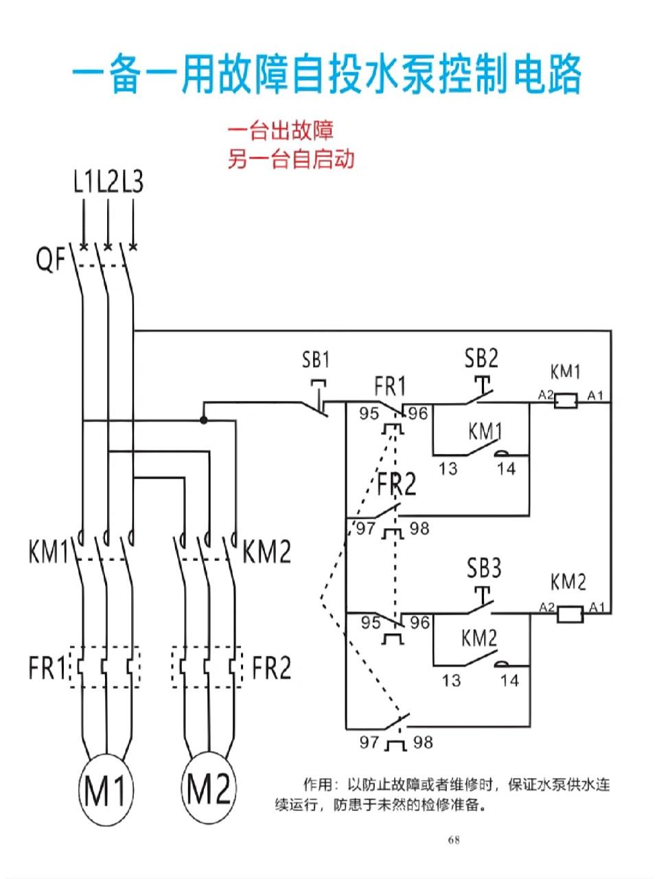
一用一备水泵控制线路接线图!
图片尺寸960x1280
水泵正反转接线图
图片尺寸450x500
3sdm控制盒接线图
图片尺寸820x1161
三相水泵控制器 水泵自动控制箱 一控二潜污泵控制柜 a12-150k
图片尺寸750x1082
有谁能给我自动抽水泵的接线图呀?
图片尺寸456x350
一用一备水泵控制线路接线图!
图片尺寸960x1280
水泵控制接线
图片尺寸500x239
配电箱这样配线,你觉得有问题吗?
图片尺寸640x471
用220v水泵抽水想用液位开关与220vcdc10-10交流接触器连接求接线图
图片尺寸538x387
水泵变频器接线图
图片尺寸640x372