水解酸化工艺

水解酸化处理过程
图片尺寸700x403
水解酸化_两级接触氧化法处理中药废水
图片尺寸1654x898
水解酸化(什么是水解酸化?
图片尺寸858x606
浅析水解酸化技术在a2o工艺中的应用
图片尺寸558x355
加压气浮_水解酸化_sbr_工艺在中药制药废水处理中的应用
图片尺寸827x321
三氯苄基苯水解生产苯甲酸流程示意图
图片尺寸424x259
水解酸化_接触氧化工艺在啤酒废水处理中的工程实践
图片尺寸630x275
水解(酸化)方法是一种介于好氧和厌氧处理法之间的方法,和其它工艺
图片尺寸912x985
工艺流程图 fig. flow chart of the process
图片尺寸665x477
水解酸化_生物接触氧化工艺处理医院污水
图片尺寸959x416
某印刷电路板厂污水水解酸化处理流程图
图片尺寸521x370
水解酸化工艺
图片尺寸640x480
水解酸化在a2o工艺中的作用!
图片尺寸640x427
水解酸化工艺原理及应用
图片尺寸1276x720
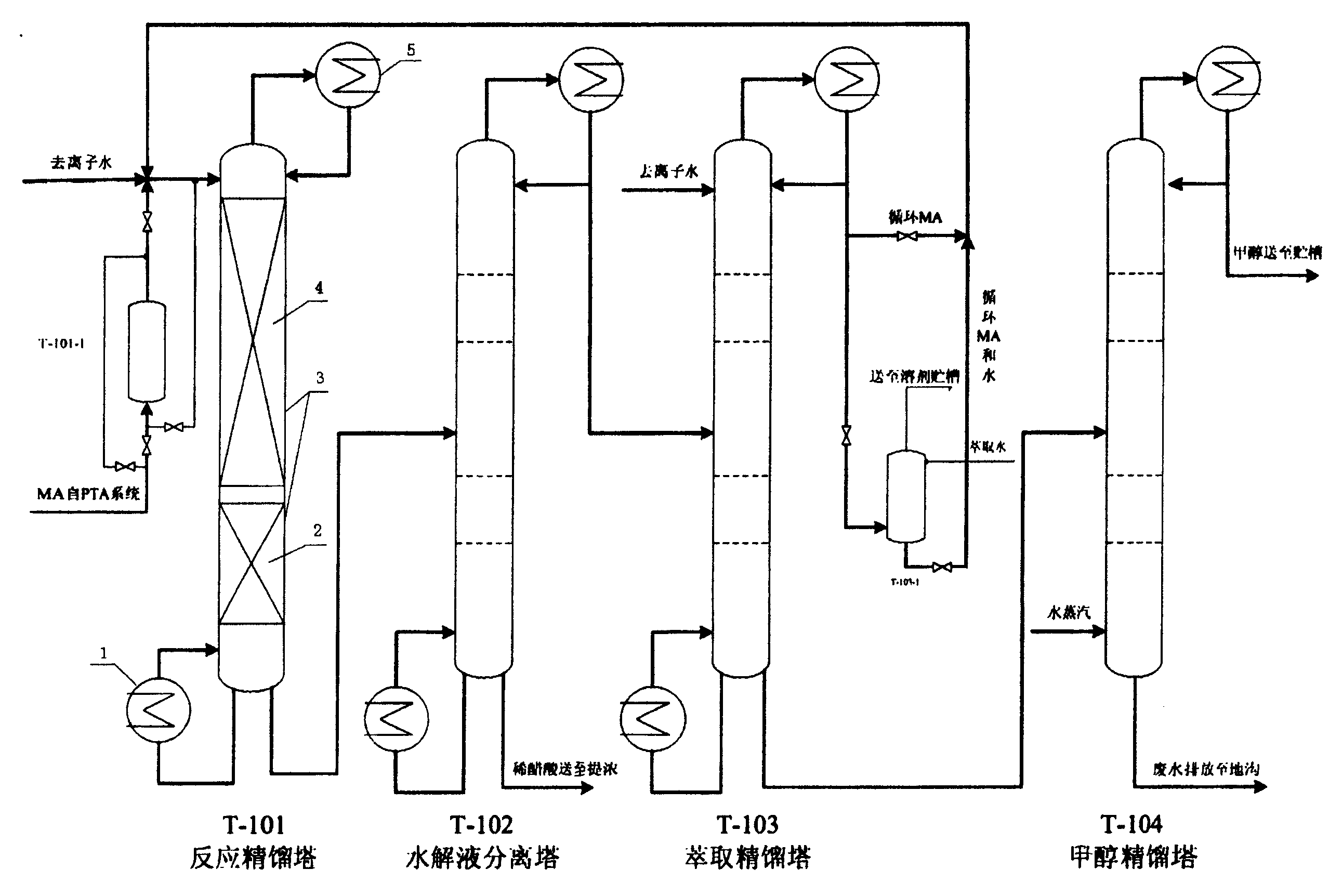
精对苯二甲酸生产中副产物醋酸甲酯水解工艺及其设备
图片尺寸2557x1724
工艺流程如图1所示
图片尺寸560x325
水解酸化_生物吸附再生_接触氧化工艺处理屠宰废水
图片尺寸980x477
浅析水解酸化技术在a2o工艺中的应用
图片尺寸1080x661![[绿丰环保]水解酸化 - 二级ao工艺处理屠宰废水处理研究-工艺方案](https://i.ecywang.com/upload/1/img0.baidu.com/it/u=3119875314,3649618926&fm=253&fmt=auto&app=138&f=PNG?w=1081&h=261)
[绿丰环保]水解酸化 - 二级ao工艺处理屠宰废水处理研究-工艺方案
图片尺寸1081x261
农药污水处理水解酸化接触氧化工艺
图片尺寸817x417