汇佳彩电主板电路图

长虹lm41机芯液晶彩电主板维修图解
图片尺寸1584x1704
彩电主板由几种电路组成 1 2012-04-10 电视机主板电路分为那几部份
图片尺寸2560x1920
比较完善的液晶彩电电源电路,为了降低待机状态开关电源的损耗,将开关
图片尺寸2753x1133
电路损坏后引发故障现象,做到心中有数,为快速维修彩电主板打下基础
图片尺寸1080x874
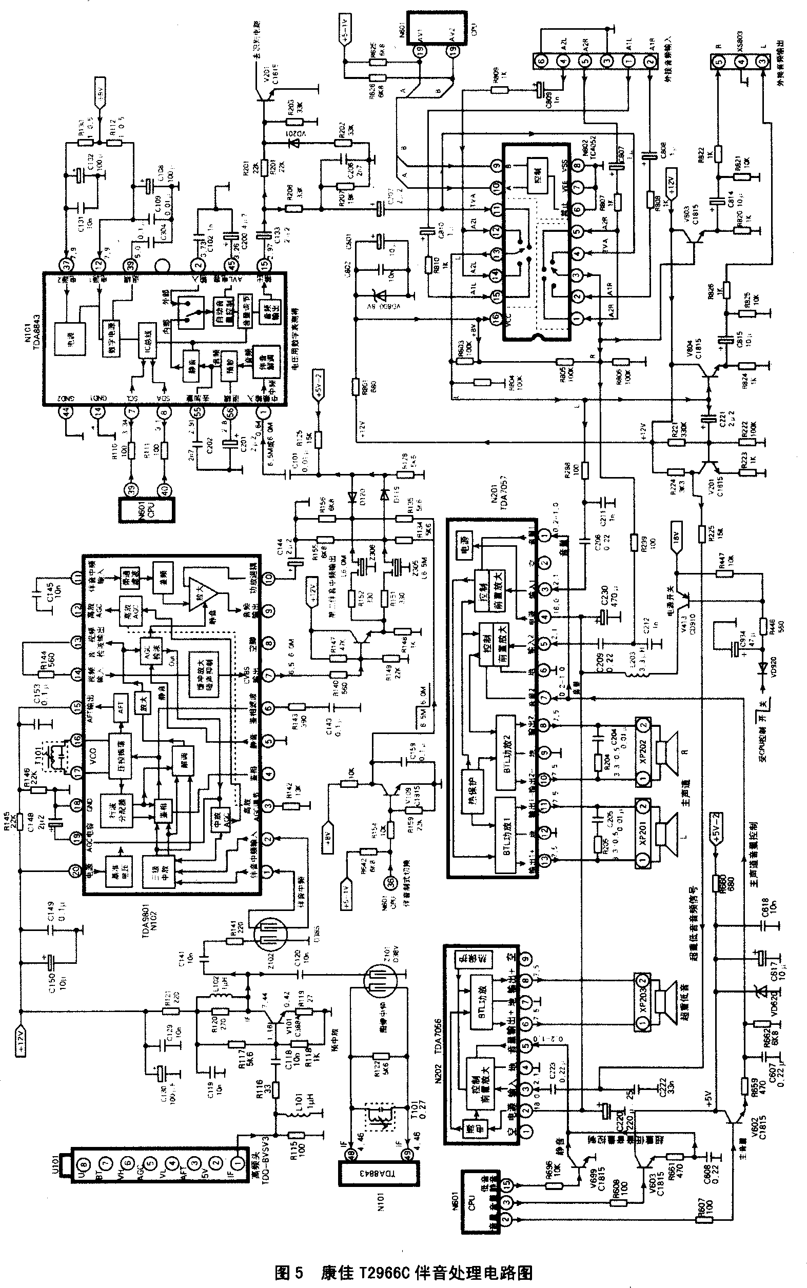
康佳彩电电路图
图片尺寸2987x2041
康佳led42f3700nf35018362板液晶彩电线路原理图
图片尺寸1680x1050
4293主板电路原理图_【家电维修资料网】金桥电子网-空调,冰箱,彩电
图片尺寸807x577
康佳led42f3700nf35018362板液晶彩电线路原理图
图片尺寸1680x1050
康佳"c"系列大屏幕彩电电路原理图解
图片尺寸1573x2511
lg 37lg30r-ta液晶彩电电源板维修
图片尺寸2645x2336
海信液晶电视机6037主板电路原理图c
图片尺寸1680x1050
rsag78204489型led液晶彩电电源板维修资料
图片尺寸4609x3004
康佳led42is97n35016105板液晶彩电线路原理图
图片尺寸1680x1050
康佳sp29tg636a型crt彩色电视机电路原理图(4/15).pdf
图片尺寸792x1084
康佳p29sk061型彩电电路介绍
图片尺寸1444x2297
图解创维32p93mv等离子彩电电源板电路
图片尺寸3911x2680
tclpe461c4彩电电源板原理详解
图片尺寸1536x1729
康佳led39e220ne35016895液晶彩电三合一主板图纸
图片尺寸1680x1384
康佳p29st217高清数字彩电电路示意图
图片尺寸900x593
海信mu7000u系列led液晶彩电主板供电与控制电路原理分析(下)
图片尺寸2450x1337