汽机系统图

单元机组系统.png
图片尺寸760x573
汽轮机控制系统
图片尺寸1080x810
汽车发动机电控系统组成
图片尺寸1476x920
汽轮发电机系统-爱企查
图片尺寸1942x1519
第二节驱动给水泵汽轮机汽水系统
图片尺寸3383x2421
使用于再热汽机系统的特点
图片尺寸594x412
汽轮发电机轴封油系统的改进和故障预防
图片尺寸600x403
凝汽式汽轮机蒸汽循环
图片尺寸1066x611
(3)汽轮机的轴封系统.
图片尺寸1080x810
发动机管理系统
图片尺寸956x650
谁有关于汽轮机中压调速系统的flash演示动画
图片尺寸697x404
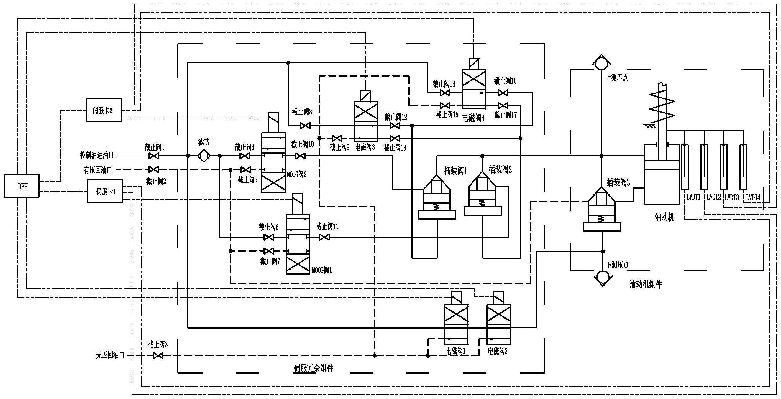
一种新型的汽轮机伺服冗余控制系统
图片尺寸2648x1354
汽轮机汽水系统流程图
图片尺寸805x545
汽机专业汽机专业微信号turbine_club功能介绍零基础学汽机,一起来吧!
图片尺寸640x372
600mw电厂汽机系统图
图片尺寸1118x806
汽机系统图2.pdf
图片尺寸800x1131
汽油机电子控制燃油喷射系统
图片尺寸2848x1646
电厂入门培训课件(汽机)p25
图片尺寸760x559
cn112855295a_一种回热式驱动小汽机系统在审
图片尺寸1679x1213
圈",看了看旁边的"电子圈",灵光乍现,决定引入电子控制燃油喷射系统
图片尺寸1286x850