汽车后备箱锁原理

一种用于汽车尾门锁的齿轮齿板传动机构的制作方法
图片尺寸1000x828
后备箱锁电机电路图
图片尺寸605x608
东风风神h30后备箱锁不住检修
图片尺寸640x467
宝马e87e46e90e92e60后备箱锁机118 318 320 520尾门锁块525 530
图片尺寸300x245
尾门锁电路图
图片尺寸609x605
深圳宝马5系加装智能电动尾门,一分钟看懂电动尾门使用技巧!
图片尺寸640x428
精华】03老宝来后备箱锁故障解决一例(有图有真相)_宝来论坛_爱卡汽车
图片尺寸560x421
汽车后备箱锁止机构的结构其实跟车门是一样的,它们都是靠挡爪扣住锁
图片尺寸1024x688
【图】旗云2后备箱锁构造及维修_旗云2论坛_汽车之家论坛
图片尺寸700x525
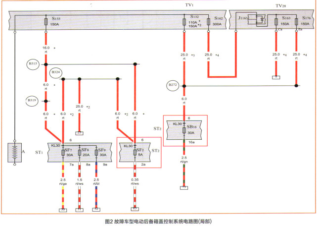
大众辉昂电动后备箱盖工作异常
图片尺寸641x456
一种汽车尾门电吸锁的制作方法
图片尺寸913x1000
适配起亚拉图智跑后备箱锁块总成尾门闭锁行李箱电机中控锁
图片尺寸400x400
09年雷克萨斯es300尾门控制线路图
图片尺寸601x586
09年本田crv后备箱中控锁电路图
图片尺寸631x560
丰田皇冠轿车行李箱锁不能开锁
图片尺寸1933x1625
尾门自吸门锁-尾门自吸门锁昆山睿唯景汽车科技有限公司_公司目前主营
图片尺寸631x567
【维修案例】2021年沃尔沃s90后备箱尾门不能自吸_搜狐汽车_搜狐网
图片尺寸875x617
背景技术:汽车电动尾门也就是电动后备箱是指:后备箱采用电动或者是
图片尺寸1000x749
69350-28151 适用于丰田新rav4汽车后备箱锁 尾箱锁-阿里巴巴
图片尺寸1500x1500
【图】求教:11款卡罗拉后备箱锁机_卡罗拉论坛_汽车之家论坛
图片尺寸700x525