汽车小灯电路图

图1是赛欧汽车的灯光电源电路,其中b 代表的是蓄电池正极,ign ii是
图片尺寸2921x3108
汽车前照灯电路如下图所示在汽车的前照灯电路中近光灯和远光灯是关系
图片尺寸725x243
帕萨特领驭的转向灯即双闪灯电路图
图片尺寸550x370
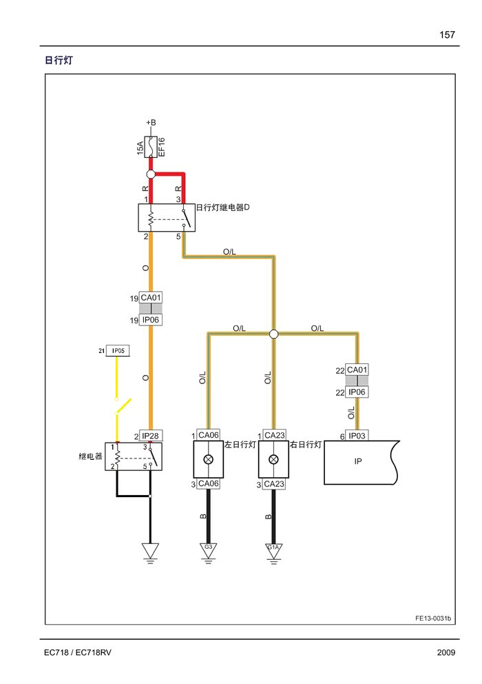
【图】14款新帝豪改日行灯常亮_帝豪论坛_汽车之家论坛
图片尺寸700x992
灯光电路图上一页第6页 你可能喜欢 五菱荣光 五菱之光电路图 汽车
图片尺寸1080x810
金杯灯光电路图
图片尺寸1080x810
前照灯延时控制电路可使前照灯在电路被切断后,仍继续照明一段时间后
图片尺寸1424x634
图1是赛欧汽车的灯光电源电路,其中b 代表的是蓄电池正极,ign ii是
图片尺寸2375x2940
汽车自动灯光照明系统的工作原理:自动灯光照明系统通过电路中设置的3
图片尺寸1398x833
图4-23 切诺基越野车转向灯控制电路当转向灯开关向左或向右拨动时,其
图片尺寸1206x1173
图5-26 有前照灯继电器但无变光继电器型前照灯系统的控制电路
图片尺寸1060x616
图2为科鲁兹汽车雾灯控制电路,由熔断器(f48ua/15a),前雾灯继电器(kr
图片尺寸1132x1369
转向信号电路与闪光器汽车行驶方向的改变—由灯光信号闪烁的方式指示
图片尺寸640x490
凯越照明信号电路.ppt
图片尺寸1152x864
汽车雾灯电路图原理
图片尺寸681x498
五菱灯光电路图ppt
图片尺寸1080x810
汽车照明与信号系统电路故障分析
图片尺寸600x456
项目5汽车照明与信号系统的检修
图片尺寸1800x1350
东风风行景逸x3灯光控制系统电路图
图片尺寸1564x2037
汽车照明与信号系统电路故障分析
图片尺寸545x449