汽车配件图纸大全图片

轿车零部件图示
图片尺寸1263x918
机械加工工艺过程及工装夹具设计【ca10b解放牌汽车】【说明书 cad】
图片尺寸1131x800
eq140汽车转向器壳体零件图
图片尺寸1889x1335
1差速器壳零件图pdf
图片尺寸800x568
汽车发动机二缸曲轴零件图下载(dwg格式)机械cad图纸
图片尺寸1013x754
典型汽车零件图.doc
图片尺寸1404x993
汽车变速箱齿轮的滚齿夹具设计及加工工艺 - 设计方案图纸 - 沐风网
图片尺寸830x654
cad设计图纸_汽车发动机曲轴零件图
图片尺寸1311x927
转向节零件图夹具图cad图纸汽车车辆转向节夹具设计参考资料【774
图片尺寸845x845
汽车摇臂轴支座夹具设计
图片尺寸647x477
汽车零配件.png
图片尺寸1687x937
汽车半轴设计与加工工艺 - 工艺工装夹具设计方案 - 沐风图纸
图片尺寸820x656
011汽车abc制动系统全套毕业设计论文 cad图纸
图片尺寸1200x800
汽车发动机零件图纸
图片尺寸671x1052
拨叉零件图pdf
图片尺寸800x568
出口采购汽车螺栓 图纸2
图片尺寸631x881
60余台,冲压及焊接,总装线4条,工程技术人员,检测手段齐全,属全国汽车
图片尺寸1916x788
图的内容图2-4-2 曲轴飞轮组图2-4-1 部分汽车零件要生产出合格的汽车
图片尺寸1845x1188![十-字头活塞加工工艺和精车外圆夹具图设计[含cad图纸和文档所见所得]](https://i.ecywang.com/upload/1/img2.baidu.com/it/u=874713853,900152153&fm=253&fmt=auto&app=138&f=GIF?w=750&h=500)
十-字头活塞加工工艺和精车外圆夹具图设计[含cad图纸和文档所见所得]
图片尺寸1200x800
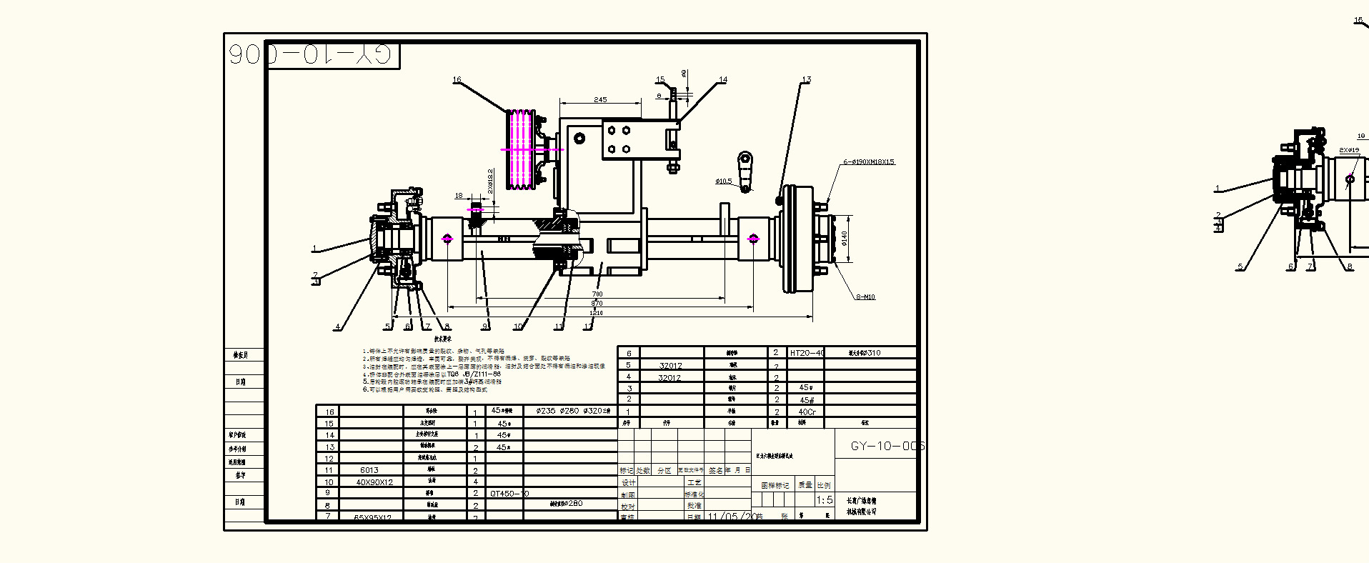
识读汽车组件的装配图
图片尺寸650x489