汽轮机液压盘车

汽轮机液压盘车装置的结构与功能详解
图片尺寸1024x738
汽轮机液压盘车装置的结构特点与工作原理
图片尺寸1024x738
漳州核电2号机组汽轮机液压盘车调试成功
图片尺寸1080x810
汽轮机液压盘车装置的结构与功能详解
图片尺寸475x448
汽轮机盘车装置的运行与维护解析
图片尺寸628x353
汽轮机盘车介绍
图片尺寸640x853
汽轮机盘车装置的深入解析与应用
图片尺寸640x782
汽轮机盘车装置启动方法及故障排除指南
图片尺寸375x491
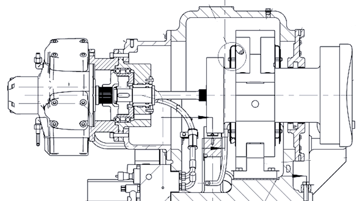
汽轮机液压盘车装置的多样结构与功能解析
图片尺寸714x398
田湾核电3号机组汽轮机盘车顺利实现
图片尺寸500x450
汽轮机手动盘车要开油泵吗
图片尺寸379x254
汽轮机液压盘车装置的结构与功能详解
图片尺寸714x398
汽轮机停机后的盘车操作详解
图片尺寸1199x1532
汽轮机盘车装置:结构,功能与维护
图片尺寸640x834
盘车装置:汽轮机的关键伴侣与注意事项详解
图片尺寸572x250
上新了大国重器# 【国内首台套汽轮机应急盘车装置成功投运】日前
图片尺寸4096x2304
有关汽轮机盘车装置
图片尺寸707x448
一,汽轮机停机转速到零后,若盘车投不上,应如何处理?
图片尺寸600x451
盘车装置在汽轮机中的关键作用与操作指南
图片尺寸760x983
主盘车:汽轮机的"健康教练"
图片尺寸1080x810