汽轮机热平衡图

电厂二期600mw汽轮机热平衡图
图片尺寸920x651
汽轮机热平衡图功率的核算方法
图片尺寸959x1356
电厂二期600mw汽轮机热平衡图
图片尺寸1684x1190
300mw机组改造热平衡图
图片尺寸1190x840
汽轮机热力平衡图
图片尺寸1760x1223
汽轮机热力系统
图片尺寸1653x1009
2机供热热平衡图
图片尺寸849x1172
发电厂汽轮机热力系统
图片尺寸640x423
发电厂汽轮机热力系统
图片尺寸640x404
余热锅炉回收烟气余热,生产出过热蒸汽;过热蒸汽送到汽轮机中做功
图片尺寸1000x832
flownex专栏 | 应用一:电厂热平衡系统仿真_手机搜狐网
图片尺寸640x328
热量平衡
图片尺寸632x486
只有当发热和散热处于热平衡状态时,即q1=q2时,介质才会具有某一稳定
图片尺寸660x619
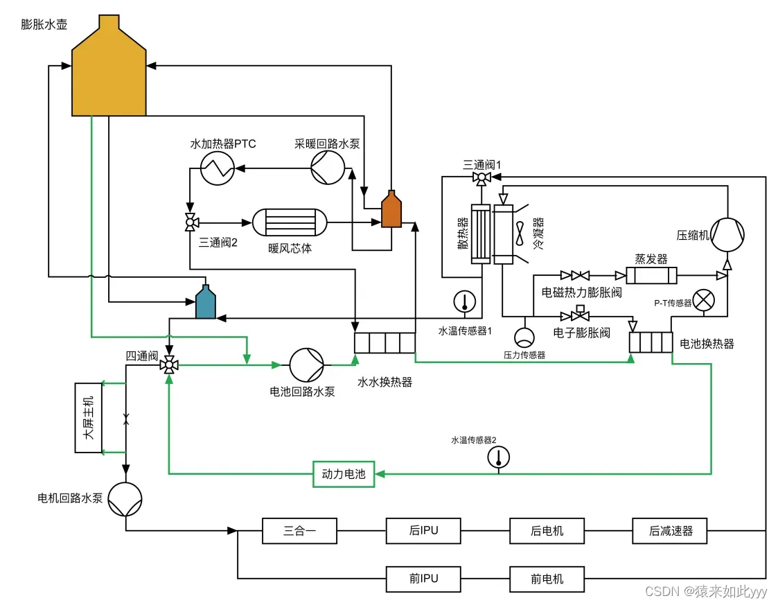
电池热平衡控制原理5.
图片尺寸1123x873
汽轮机热力系统简图
图片尺寸459x384
空调系统热平衡图:空调水系统流程图
图片尺寸554x329
炼钢过程热平衡
图片尺寸805x2508
动物机体热平衡首先,畜禽遭受热应激后,生产性能会下降,比如采食量
图片尺寸640x272
以蒸汽动力发电厂为例,系统包括锅炉,汽轮机,给水泵,高压加热器,低压
图片尺寸720x407
空调系统热平衡图:空调水系统:1)冷热水系统a.冷热水系统的分类a.
图片尺寸465x305