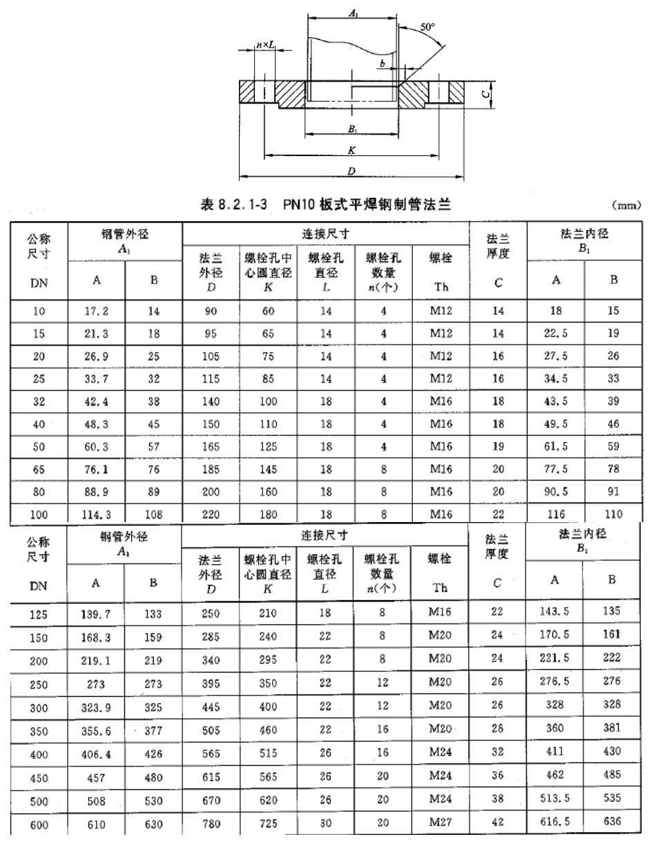
法兰尺寸

法兰尺寸对照表
图片尺寸920x1303
平焊法兰规格表
图片尺寸920x1301
产品尺寸dimensions表1?各种类型法兰的密封面型式及其适用范围? ? ?
图片尺寸790x1092
碳钢q235带颈平焊法兰 so pn10 dn15 rf hg/t20592Ⅰq235 法兰内径a
图片尺寸790x1096
hg/t20592-2009法兰尺寸表37-50页 #平焊法 - 抖音
图片尺寸1280x1703
不锈钢法兰规格表
图片尺寸920x1303
国标法兰尺寸对照表
图片尺寸920x1303
不锈钢板式平焊法兰(hg—).pdf
图片尺寸800x1131
带颈平焊法兰尺寸pn25.jpg
图片尺寸1000x823
带颈对焊法兰尺寸与质量
图片尺寸1295x1853
法兰标准尺寸表
图片尺寸920x1302
厂家生产 大口径平焊法兰 碳钢材质 德标din86044大口径平板法兰
图片尺寸700x762
国标法兰标准尺寸
图片尺寸800x1132
hgt 20615法兰尺寸对照表
图片尺寸959x1356
不锈钢316板式平焊法兰,pl,pn16,dn600,ff,hg/t20592Ⅰ,316,法兰内径a
图片尺寸790x1096
法兰板式平焊plpn10-304化工部hg20592-2009国标不锈钢法兰(新)
图片尺寸966x1241
日标法兰尺寸表.doc
图片尺寸993x1404
平焊法兰(国标) pn25
图片尺寸1000x1407
尺寸规格参考表,现在的法兰外径对比参数会小点不影响连接
图片尺寸711x710
3 dn500的法兰哪位可以提供下图纸或者具体数据?
图片尺寸653x566