法兰标注方法

法兰#法兰 #法兰管件 #图纸设计 #管道配件 #技术分享 - 抖音
图片尺寸700x992
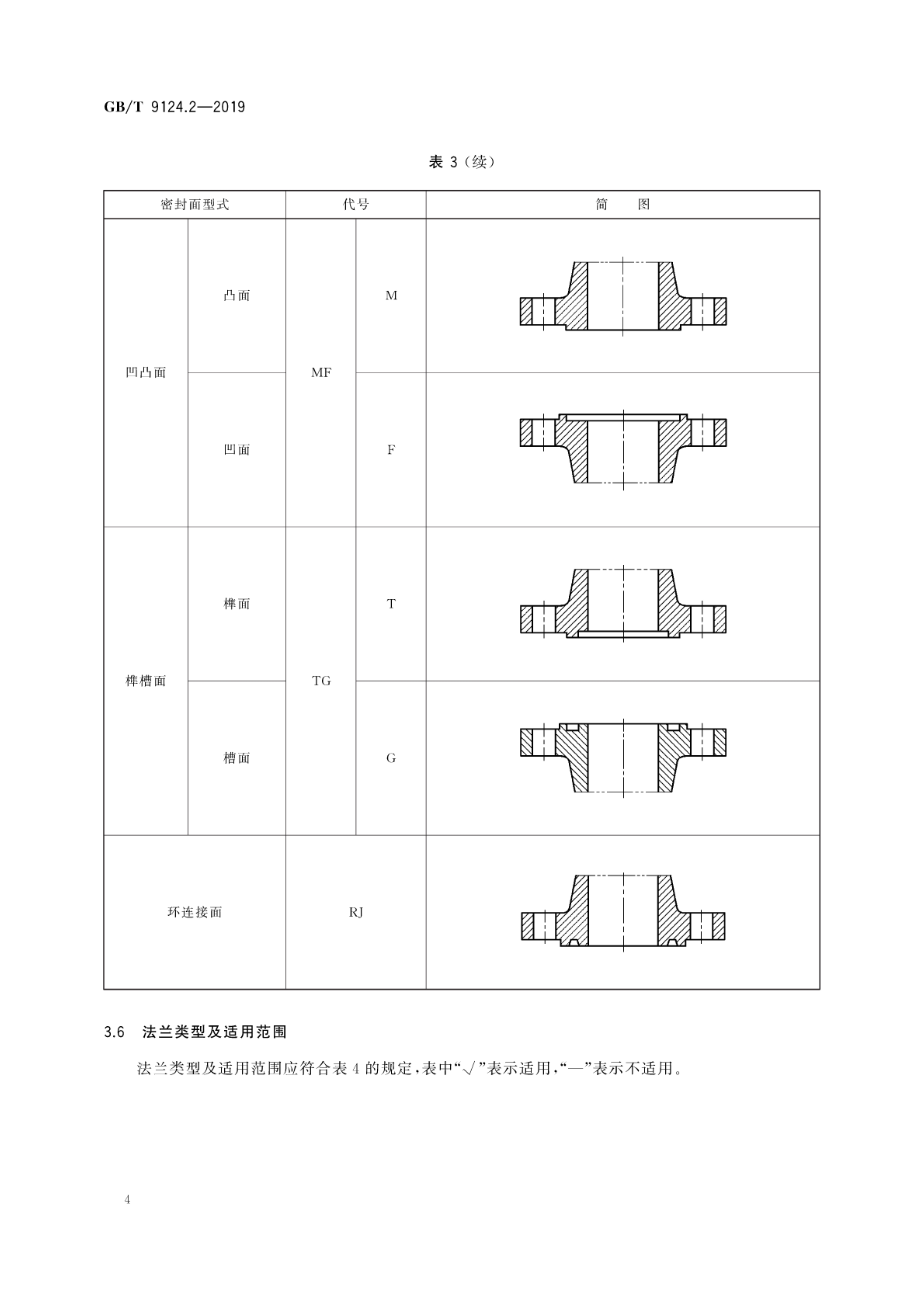
钢制管法兰—第2部分:class 系列
图片尺寸4958x7008
法兰盘孔的位置精度该用什么表示呢
图片尺寸800x514
gbt912412019钢管法兰pn系列4211钢制管法兰盖的型式与尺寸
图片尺寸640x539
钢制管法兰—第2部分:class 系列
图片尺寸4958x7008
钢制管法兰—第2部分:class 系列
图片尺寸4958x7008
gb/t9124.1 2019钢制法兰pn系列带颈承插焊钢制管法兰型式与尺寸
图片尺寸640x647
分别怎么用?为何法兰的使用这么重要?一文搞懂!
图片尺寸640x469
法兰类型代号,法兰pl,so,wn,if,sw,th,pj, - 抖音
图片尺寸1280x1709
jbzq44642006对焊钢法兰尺寸pn25
图片尺寸744x1052
钢制管法兰—第2部分:class 系列
图片尺寸4958x7008
现货销售304不锈钢平焊法兰对焊法兰可加工来图定做价格优惠
图片尺寸790x763
一口气列举了12种法兰,你平时设计用到哪几种?
图片尺寸562x301
国标法兰标准尺寸
图片尺寸800x1132
法兰标准尺寸表
图片尺寸920x1302
钢制管法兰—第2部分:class 系列
图片尺寸4958x7008
钢制管法兰—第2部分:class 系列
图片尺寸2479x3504
法兰的型号标注方法
图片尺寸920x1302
法兰示意图
图片尺寸834x536
板式平焊法兰dn450对应的小斜口的高度是多少?已经用红色的标记了!
图片尺寸839x472