法兰的画法

600的圆管做法兰打八个孔怎么画
图片尺寸1290x912
请教这个法兰的外径和内径是多少?
图片尺寸599x800
法兰盘孔的位置精度该用什么表示呢
图片尺寸800x514
cad方法兰图纸
图片尺寸371x524
法兰示意图
图片尺寸936x576
法兰图纸02
图片尺寸1095x765
法兰
图片尺寸993x459
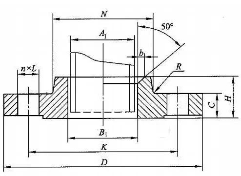
甲型平焊法兰的画法
图片尺寸988x646
谁有hgt210591这个法兰标准
图片尺寸711x1003
平面,突面整体钢制法兰和平面,突面板式平焊钢制法兰有什么区别
图片尺寸1278x834
这个法兰盘在法因数控上怎么编程
图片尺寸624x832
法兰基础知识
图片尺寸893x455
法兰示意图
图片尺寸1106x268
法兰加工
图片尺寸896x715
12种法兰图文详解13种知识问答你要的都在这里
图片尺寸640x370
法兰示意图
图片尺寸834x536
5 class1500lbs sorf flange
图片尺寸494x361
750 kv变电构架刚,柔性法兰设计优化*
图片尺寸1890x1520
pn6公斤dn1580突面rf碳钢20号a105锻制造石化工业带颈平焊法兰so
图片尺寸800x576
法兰标准(化工系列)
图片尺寸633x462