法兰y型过滤器型号

gl41h16c碳钢法兰y型过滤器管道流体介质固液分离用y型过滤器
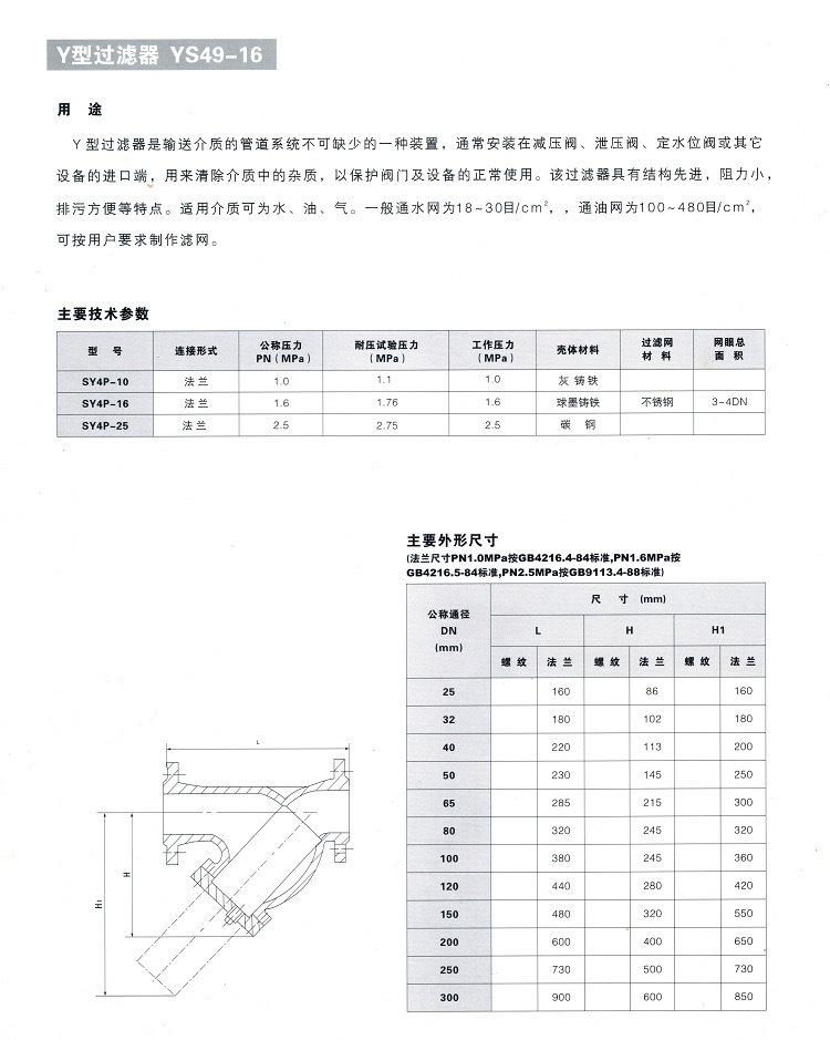
图片尺寸930x1319
din/ansi 球墨铸铁法兰端 y型过滤器
图片尺寸1444x1937
龙斯特y型过滤器
图片尺寸700x972
球墨铸铁 y型过滤器,ansi 150/jis 10/pn16 y型过滤器/过滤器,法兰端
图片尺寸1259x1719
进口管道铸钢法兰y型过滤器.gl41h-16c高温蒸汽导热油 - 抖音
图片尺寸800x800
en16fc日本kitz北泽y铸铁法兰y型过滤器
图片尺寸760x500
远大阀门 铸铁法兰y型过滤器 gl41h-16,dn350,5目
图片尺寸790x441
gl41h-16c/25铸钢法兰y型过滤器蒸汽导热油高温过滤器 dn50 65 80
图片尺寸2268x2268
批发宁波埃美柯阀门 铸钢y型过滤器 9603 sy14c-h16
图片尺寸1190x1602
国标德标对照表
图片尺寸590x800
铸钢y型法兰过滤器
图片尺寸729x608
厂家直销 不锈钢法兰国标s316s304法兰过滤器高品质y型法兰过滤器
图片尺寸750x1047
凯士比法兰y型过滤器
图片尺寸536x588
传比阀门 球磨铸铁法兰y型过滤器dn40/50/65/80/100/125/150/200
图片尺寸700x468
y型法兰过滤器
图片尺寸916x1269
y型过滤器(w-yg41-25c)美国watts沃茨阀门厂家直销
图片尺寸700x1263
y型内螺纹管道过滤器1/4-4"
图片尺寸808x1024
远大阀门 y型过滤器 gl41h-25c dn300 gl41h-25c,dn300 个 1个 『固安
图片尺寸1104x1596
环保y型法兰过滤器|卫生级不锈钢法兰管件批发|流体y型法兰过滤器
图片尺寸509x323
gl41h-16c/25c铸钢y型法兰过滤器/管道隔污阀门/y型过滤器
图片尺寸750x939