注塑机线路板接线图

图3-3注塑机控制系统的整体接线示意图
图片尺寸632x566
塑料伺服注塑机_接线图分享
图片尺寸478x442
hcs2标准注塑机械手控制系统主控制板接线图
图片尺寸610x744
发现注塑机里有个接触器的接线好奇怪,接触器闭合后三相是互相短接的.
图片尺寸572x429
神源sy4000-z系列注塑机专用变频器在注塑机节能中应用
图片尺寸478x442
震雄注塑机cpc2.2电脑操作说明书ppt
图片尺寸1080x810
注塑机械手外围配件电动调位板接线
图片尺寸600x716
东芝注塑机电路图1
图片尺寸893x1263
辽阳点胶机控制系统
图片尺寸562x892
注塑机变量泵新启动角运转的问题
图片尺寸347x252
德瑞斯d800变频器在注塑机上的应用
图片尺寸459x318
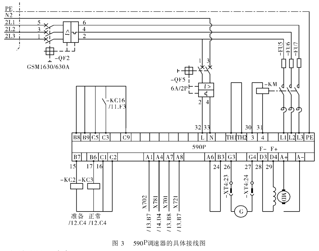
590p系列直流调速器在双螺杆挤压造粒机主机调速中的应用
图片尺寸1033x814
海天注塑机电路图
图片尺寸340x460
四方同步伺服系统在电液伺服注塑机上的应用
图片尺寸577x353
微能win-pss-iv 注塑机节电系统
图片尺寸400x500
普传科技pi500系列变频器在塑料扣板挤出机的应用
图片尺寸600x379
四方电气v560系列变频器在注塑机上的应用
图片尺寸771x632
日钢注塑机电路板abp11
图片尺寸1080x810
海天注塑机客户培训资料ppt
图片尺寸1080x810
基于plc的全电动注塑机控制系统的设计与应用
图片尺寸363x413