流化床布风板

供应气体分布流态化床,流化板,流化床,气体分布板图片
图片尺寸902x676
厂家供应高强度气化板流化风板灰库流化槽灰斗流化板
图片尺寸340x488
构成循环流化床锅炉炉底的均匀布风板.
图片尺寸720x839
脱硫塔旋流板
图片尺寸750x750
循环流化床锅炉cfb锅炉布风装置的结构 | 河南耐火砖_新密高铝砖_浇注
图片尺寸398x344
流化床及旋风分离演示实验装置适用_分离器_流谱_流线
图片尺寸1550x1550
循环流化床锅炉简介ppt
图片尺寸1080x810
电力行业循环流化床锅炉布风板专用高纯陶瓷纤维毯
图片尺寸650x488
通风设备
图片尺寸800x600
驰升机械 气化槽 灰库气化装置 电厂用碳化硅气化槽流化板
图片尺寸800x800
循环流化床锅炉节能环保一体化改造技术研究与应用-污水处理费征收
图片尺寸382x304
zg4cr26ni4mn3nre锅炉风帽耐高温耐磨
图片尺寸800x800
电力/水利 hg-440循环流化床锅炉介绍ppt 关键部件——水冷布风板 由
图片尺寸1080x810
世界上最牛的循环流化床技术在神华
图片尺寸640x360
氯化钾专用振动流化床干燥机
图片尺寸750x750
一种循环流化床锅炉布风组件的制作方法
图片尺寸443x415
循环流化床锅炉布风装置主要有风室,布风板,风帽和保护层等组成,结构
图片尺寸600x244
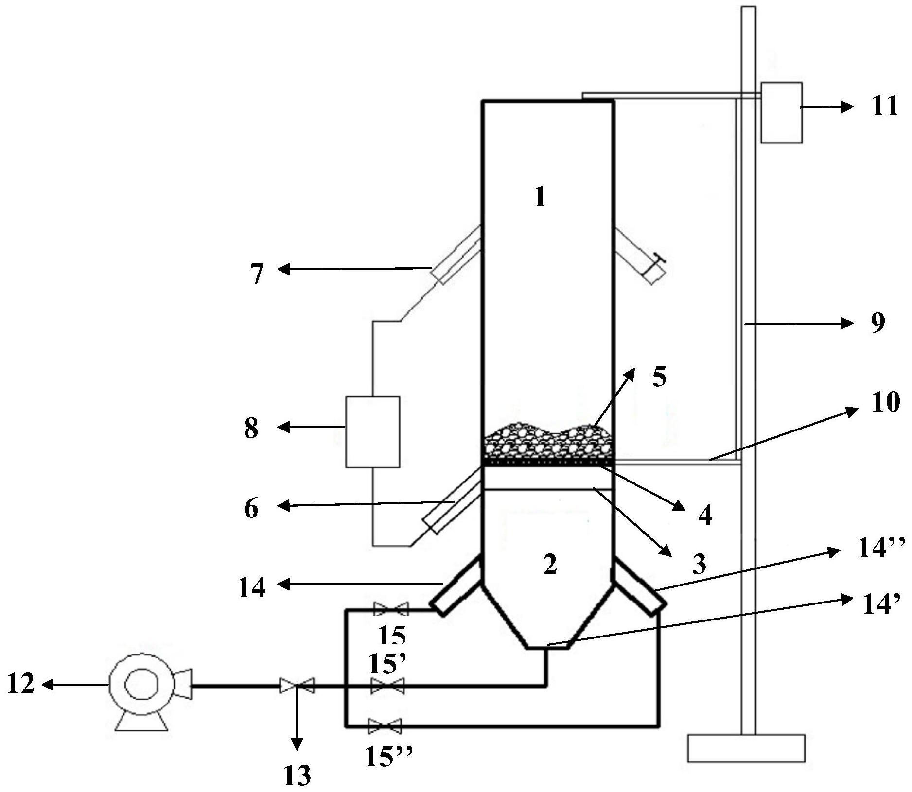
cn103743538b_一种流化床布风板试验装置有效
图片尺寸1876x1630
600mw超临界循环流化床发电厂模型 循环流化床锅炉模型_汽轮机_电机
图片尺寸600x548
8米 振动流化床1 套 ,有需要的朋友可以联系我
图片尺寸1080x1920